RIGOL Programming Example
Programming Guide for DS1000CA Series
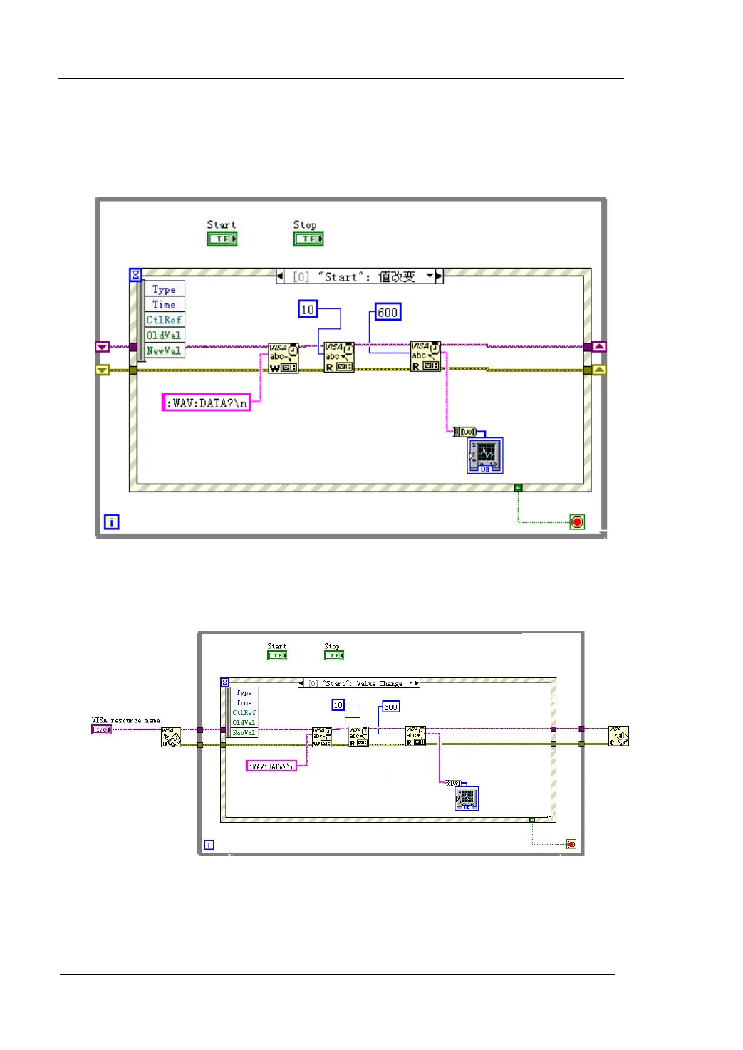
Note*: The waveform data head contains #8xxxxxxxx, 10 bytes in all, followed
by waveform data points. So, 10 bytes will be read firstly, then reading 600
points waveform data.
10. Change the input tunnel of VISA resource name and errors into “Shift Register”
to finish creating program.
11. Adjust the style of Front Panel and click “Fetch Waveform” to get following
interface. (the oscilloscope has been properly connected)