EasyManua.ls Logo

Robland XSD310 - Page 38

Default Icon
59 pages
Print Icon
To Next Page IconTo Next Page
To Next Page IconTo Next Page
To Previous Page IconTo Previous Page
To Previous Page IconTo Previous Page
Loading...
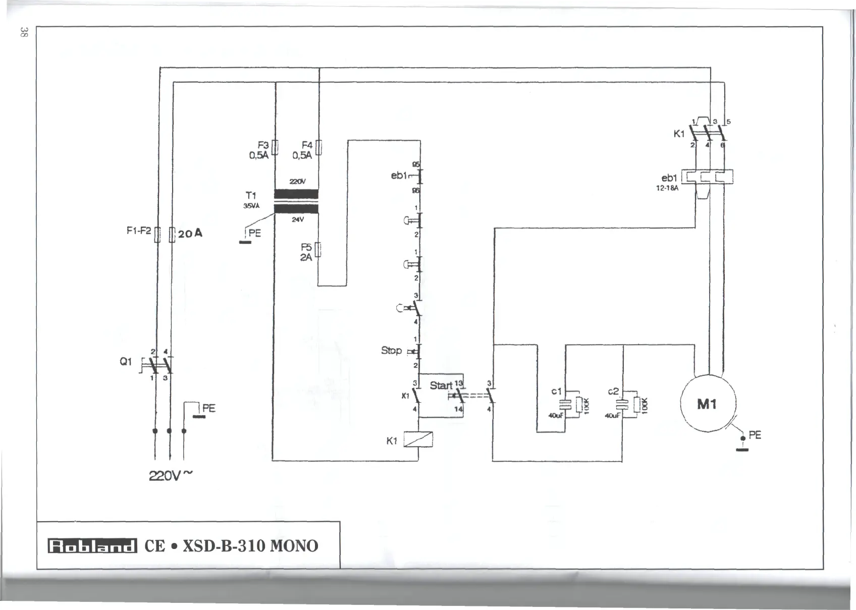
CO
Ot
F1-F2
01
^OA
HPE
220V
3 5
ebl
ebl
I
U
12-18A
"
1
Stop
C1
40uF
'
c2
)
I~?-.v
/
PE
Rabland
CE
XSD-B-310
MONO

Related product manuals