EasyManua.ls Logo

Robur Next-R - Page 11

Robur Next-R
60 pages
Print Icon
To Next Page IconTo Next Page
To Next Page IconTo Next Page
To Previous Page IconTo Previous Page
To Previous Page IconTo Previous Page
Loading...
Features and technical data
Installation, use and maintenance manual – Next-R
11
1
1.2.1.4 R50
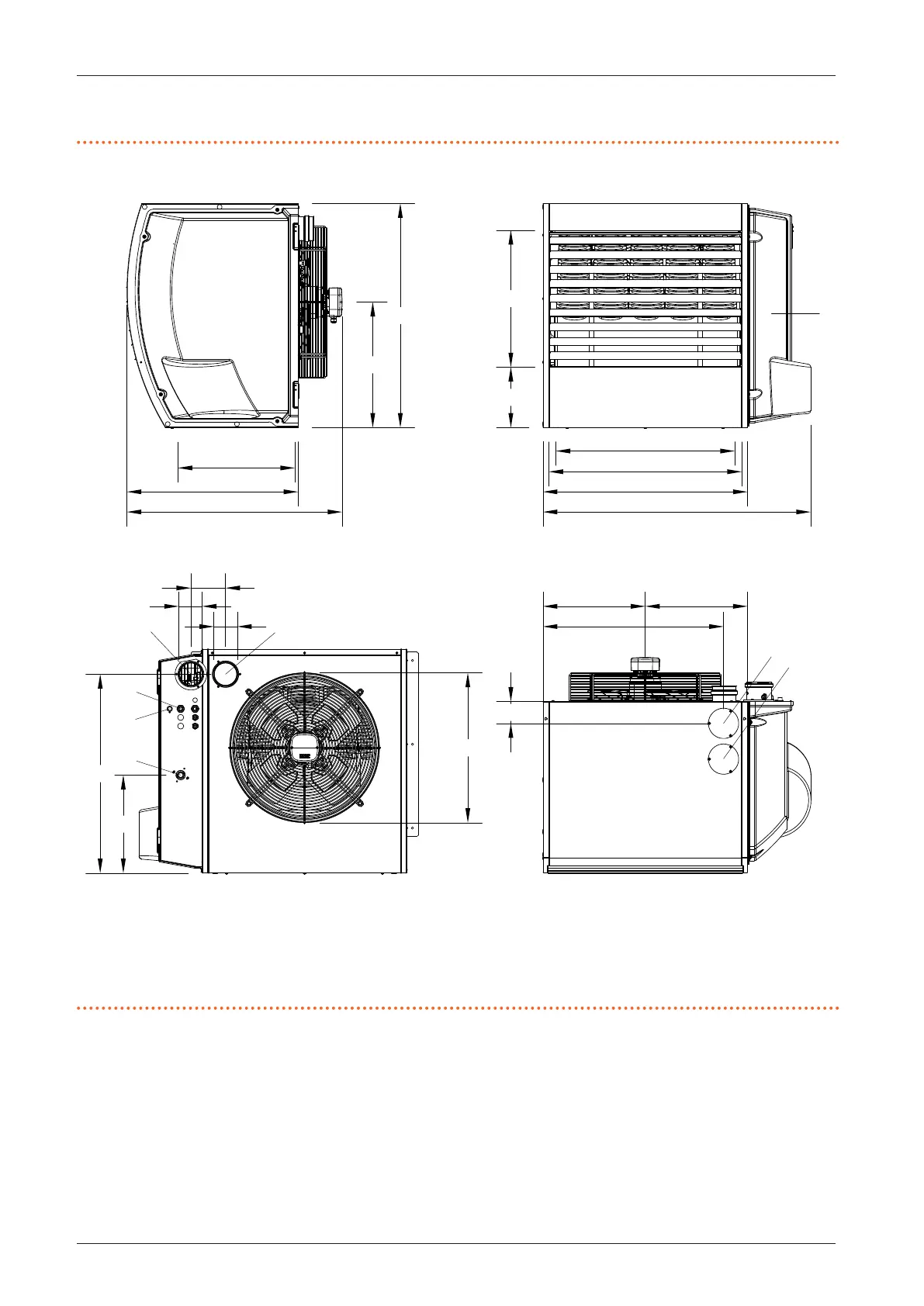
Figure1.4 Unit dimensions
1 Flue gas exhaust
2 Combustion air inlet
3 Power supply cables input
4 Gas connection 3/4" M
5 Thermoformed door
6 Limit thermostat
7 Flue gas exhaust blind cover, alternative to the rear one (1)
8 Blind cover for access to the fan thermostat
(*) Holes for xing to the support bracket
746
593
435
777
928
709
669
210
475
354354
80
80
12
3
4
690
340
519
620 (*)
405 (*)
6
5
120
7
8
76
626

Related product manuals