EasyManua.ls Logo

Rockwell Automation 2198-C1007-ERS

Rockwell Automation 2198-C1007-ERS
246 pages
To Next Page IconTo Next Page
To Next Page IconTo Next Page
To Previous Page IconTo Previous Page
To Previous Page IconTo Previous Page
Loading...
180 Rockwell Automation Publication 2198-UM005C-EN-P - February 2022
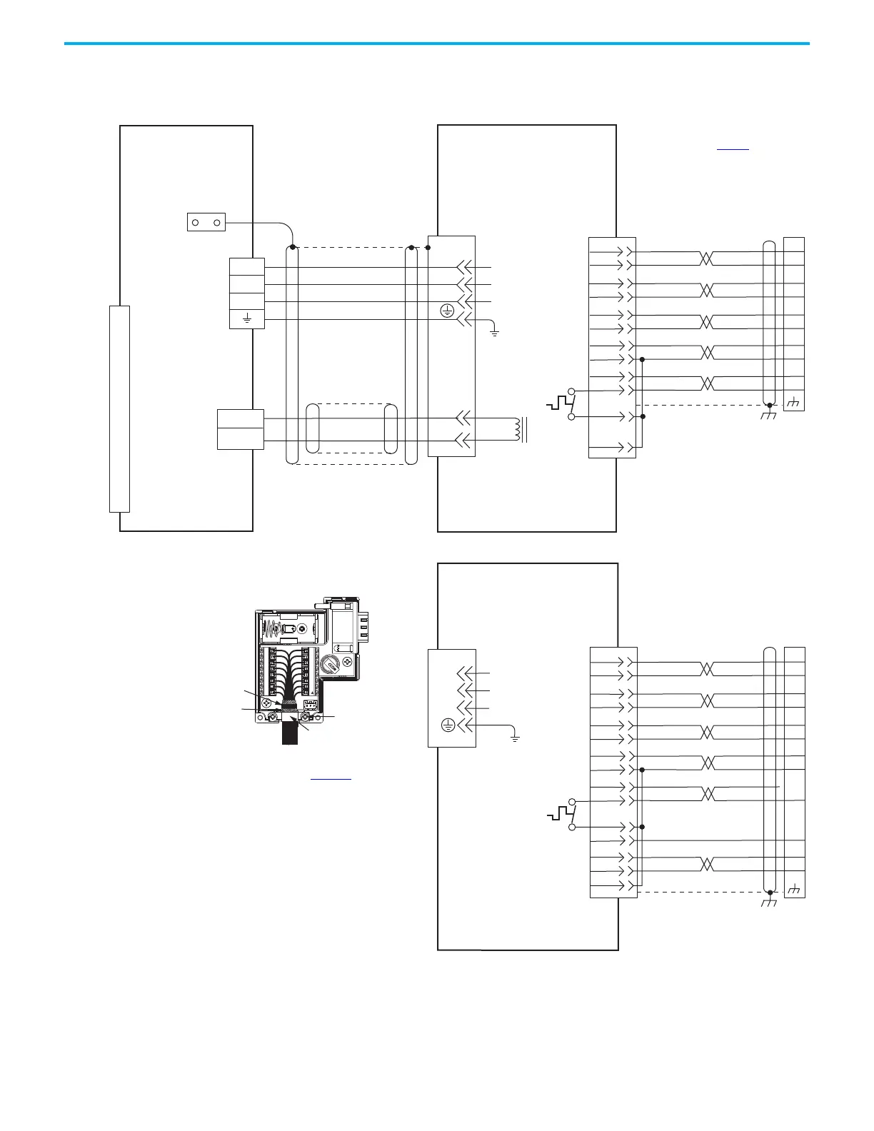
Appendix A Interconnect Diagrams
Incremental encoders include S1, S2, and S3 (Hall) signals, so feedback cables
with additional conductors are specified.
Figure 89 - Kinetix 5300 with Kinetix MPAS Linear Stages
C
B
A
U
V
W
SIN+
SIN-
COS+
COS-
DATA+
DATA-
+5VDC
ECOM
GREEN
WHT/GREEN
GRAY
WHT/GRAY
BLACK
WHT/BLACK
RED
WHT/RED
3
4
5
6
1
2
9
10
1
2
3
4
5
10
14
6
14
12
+9VDC
TS
ORANGE
WHT/ORANGE
11
13
7
11
GND
D
U
V
W
Brown
Black
Blue
Green/Yellow
Shield
COM
1
2
3
4
5
6
7
8
9
10
11
12
13
14
15
8
7
6
5
4
3
2
1
10
11
12
13
14
+
--
AM+
AM-
BM+
BM-
IM+
IM-
+5VDC
ECOM
1
2
3
4
5
10
14
6
12
S1
TS
11
S2
S3
COM
13
8
3
4
5
6
1
2
14
15
16
17
12
11
13
9
10
C
B
A
U
V
W
D
GREEN
WHT/GREEN
GRAY
WHT/GRAY
BLACK
WHT/BLACK
RED
WHT/RED
ORANGE
WHT/ORANGE
YELLOW
WHT/YELLOW
WHT/BLUE
MBRK+
MBRK-
F
G
1
2
MBRK +
MBRK -
White
Black
GND
Motor Power
Connector
Motor Feedback
(MFB) Connector
Three-phase
Motor Power
Motor
Feedback
Thermostat
Grounding Technique for
Feedback Cable Shield
Refer to table on page 169
for
note information.
2090-CFBM7DF-CEAAxx (standard) or
2090-CFBM7DF-CEAFxx (continuous-flex)
(flying-lead) Feedback Cable
2090-CPxM7DF-xxAAxx
(standard) or
2090-CPxM7DF-xxAFxx
(continuous-flex)
Motor Power Cable
Cable Shield
Clamp
Note 5
2198-Cxxxx-ERS
Kinetix 5300 Servo Drives
2198-K53CK-D15M Feedback
Connector Kit
Use the 2198-K53CK-D15M
feedback connector kit
with flying-lead cables.
Refer to Kinetix 5300 Feedback Connector Kit
Installation Instructions, publication 2198-IN023
, for
connector kit specifications.
MPAS-A/Bxxxxx-ALMx2C
Direct Drive Linear Stages with
Incremental Feedback
See connector kit
illustration (below)
for proper ground technique.
2090-XXNFMF-Sxx (standard) or
2090-CFBM7DF-CDAFxx (continuous-flex)
(flying-lead) Feedback Cable
Three-phase
Motor Power
Motor
Feedback
Thermostat
2198-K53CK-D15M Feedback
Connector Kit
MPAS-A/Bxxxxx-VxxSxA
Ballscrew Linear Stages
with High-resolution Feedback
2198-K53CK-D15M Feedback
Connector Kit
Note 11
360° exposed shield that
is secured under clamp.
Clamp Screws (2)
Clamp
Tie Wrap
2090-CFBM7DD-CEAxxx
(drive-end connector) feedback cables
are also available.

Table of Contents

Other manuals for Rockwell Automation 2198-C1007-ERS

Related product manuals