EasyManua.ls Logo

Rockwell Automation 2198-C4004-ERS

Rockwell Automation 2198-C4004-ERS
246 pages
To Next Page IconTo Next Page
To Next Page IconTo Next Page
To Previous Page IconTo Previous Page
To Previous Page IconTo Previous Page
Loading...
Rockwell Automation Publication 2198-UM005C-EN-P - February 2022 179
Appendix A Interconnect Diagrams
Kinetix 5300 Drive and
Linear Actuator Wiring
Examples
These wiring diagrams apply to Kinetix 5300 drives with compatible
Allen-Bradley linear motors and actuators.
Incremental encoders include S1, S2, and S3 (Hall) signals, so feedback cables
with additional conductors are specified.
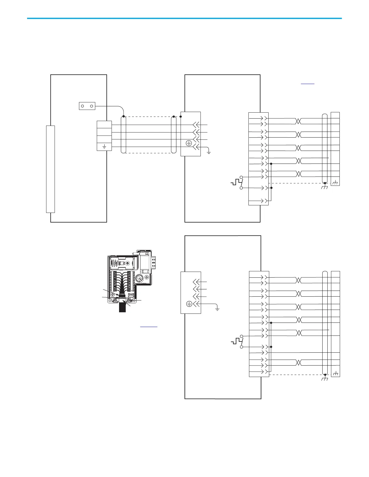
Figure 88 - Kinetix 5300 with Kinetix LDAT Linear Thrusters
C
B
A
U
V
W
SIN+
SIN-
COS+
COS-
DATA+
DATA-
ECOM
GREEN
WHT/GREEN
GRAY
WHT/GRAY
BLACK
WHT/BLACK
RED
WHT/RED
3
4
5
6
1
2
9
10
1
2
3
4
5
10
6
14
12
+9VDC
TS
ORANGE
WHT/ORANGE
11
13
7
11
GND
D
U
V
W
Brown
Black
Blue
Green/Yellow
Shield
COM
1
2
3
4
5
6
7
8
9
10
11
12
13
14
15
8
7
6
5
4
3
2
1
10
11
12
13
14
+
--
AM+
AM-
BM+
BM-
IM+
IM-
+5VDC
ECOM
1
2
3
4
5
10
14
6
12
S1
TS
11
S2
S3
COM
13
8
3
4
5
6
1
2
14
15
16
17
12
11
13
9
10
C
B
A
U
V
W
D
GREEN
WHT/GREEN
GRAY
WHT/GRAY
BLACK
WHT/BLACK
RED
WHT/RED
ORANGE
WHT/ORANGE
YELLOW
WHT/YELLOW
WHT/BLUE
GND
Motor Power
Connector
Motor Feedback
(MFB) Connector
Three-phase
Motor Power
Motor
Feedback
Thermostat
Grounding Technique for
Feedback Cable Shield
Refer to table on page 169
for note
information.
2090-CFBM7DF-CEAAxx (standard) or
2090-CFBM7DF-CEAFxx (continuous-flex)
(flying-lead) Feedback Cable
Notes 8
2090-CPWM7DF-xxAAxx
(standard) or
2090-CPWM7DF-xxAFxx
(continuous-flex)
Motor Power Cable
Note 8
Cable Shield
Clamp
Note 5
2198-Cxxxx-ERS
Kinetix 5300 Servo Drives
2198-K53CK-D15M Feedback
Connector Kit
Use the 2198-K53CK-D15M
feedback connector kit
with flying-lead cables.
Refer to Kinetix 5300 Feedback Connector Kit
Installation Instructions, publication 2198-IN023
, for
connector kit specifications.
LDAT-Sxxxxxx-xBx
Linear Thrusters with
Incremental Feedback
See connector kit
illustration (below)
2090-XXNFMF-Sxx (standard) or
2090-CFBM7DF-CDAFxx (continuous-flex)
(flying-lead) Feedback Cable
Notes 8
Three-phase
Motor Power
Motor
Feedback
Thermostat
2198-K53CK-D15M Feedback
Connector Kit
LDAT-Sxxxxxx-xDx
Linear Thrusters with
High-resolution Feedback
Note 11
Note 11
360° exposed shield that
is secured under clamp.
Clamp Screws (2)
Clamp
Tie Wrap
2090-CFBM7DD-CEAxxx
(drive-end connector) feedback cables
are also available.

Table of Contents

Other manuals for Rockwell Automation 2198-C4004-ERS

Related product manuals