EasyManua.ls Logo

Rockwell Automation Allen-Bradley 1502 - Series D Electrically Held Contactor Wiring and Schematic

Rockwell Automation Allen-Bradley 1502
58 pages
Print Icon
To Next Page IconTo Next Page
To Next Page IconTo Next Page
To Previous Page IconTo Previous Page
To Previous Page IconTo Previous Page
Loading...
3-4 Installation
1502-UM051E-EN-P – June 2013
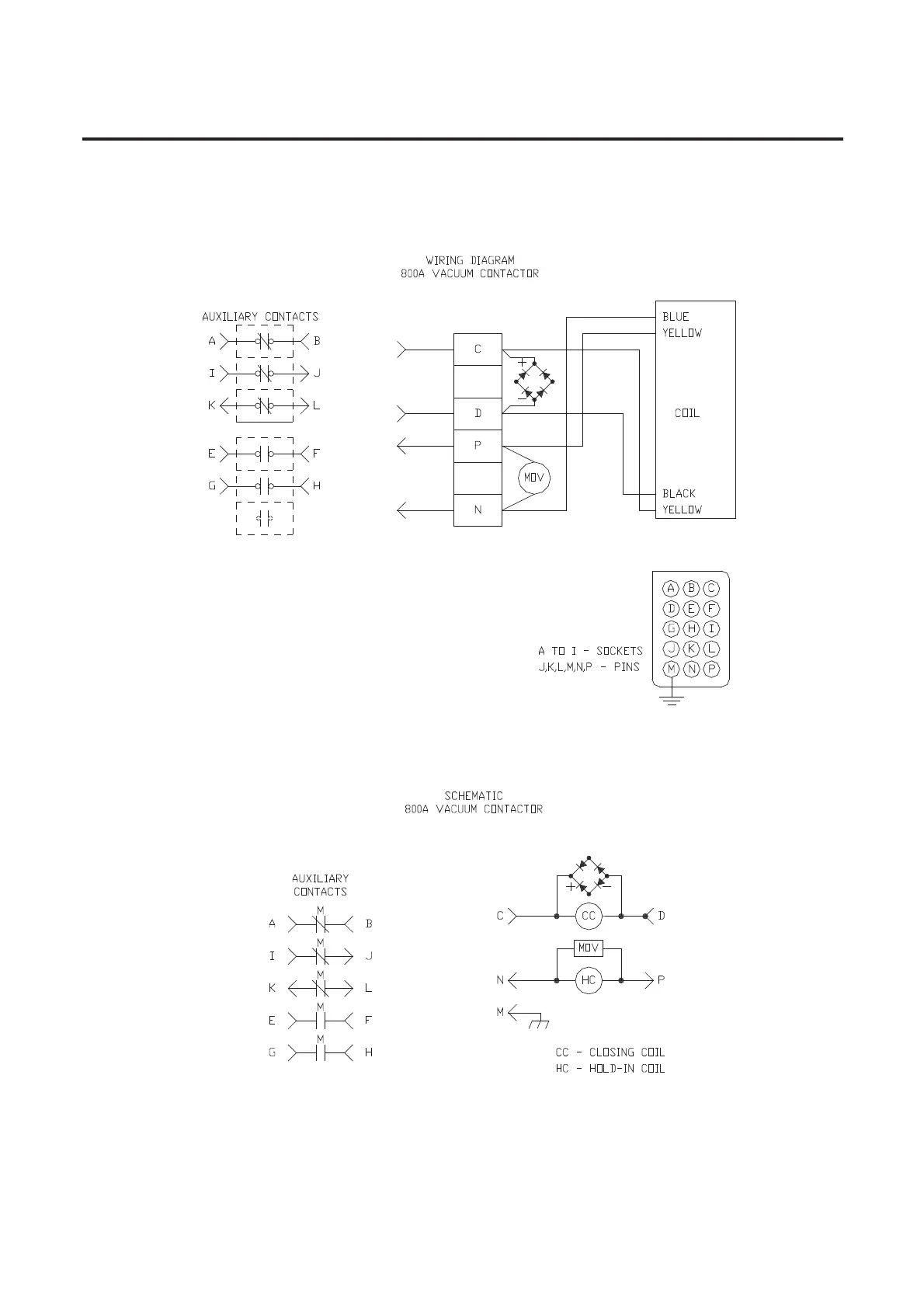
Wiring and Schematic Diagrams
'JHVSFo8JSJOHBOE4DIFNBUJD%JBHSBNt4FSJFT%&MFDUSJDBMMZ)FME$POUBDUPSOPSNBMESPQPVUUJNF

Related product manuals