EasyManua.ls Logo

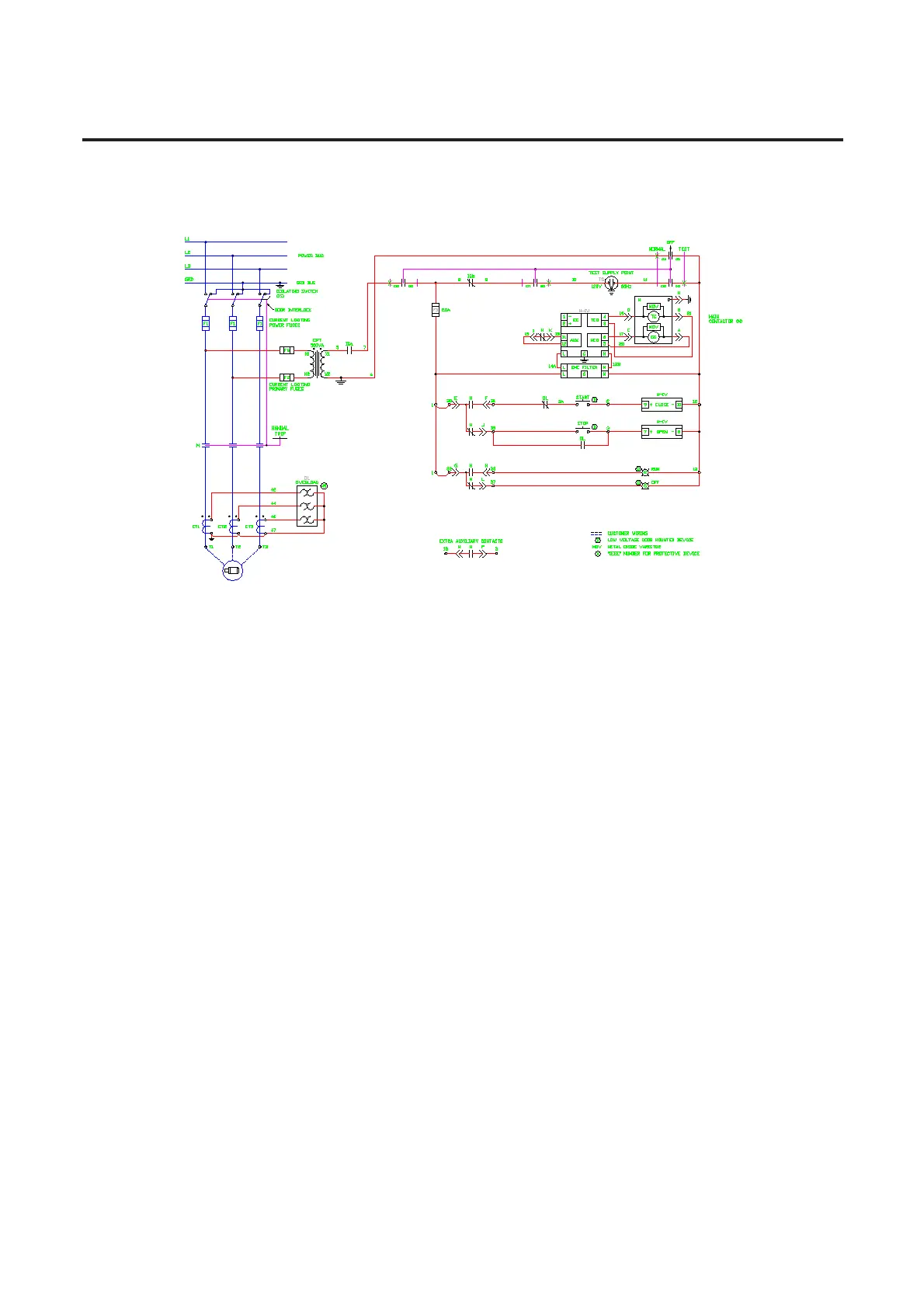
Rockwell Automation Allen-Bradley 1502 - Typical Wiring and Schematic Diagram FVNR Controller Series E Electrically Held

Rockwell Automation Allen-Bradley 1502
58 pages
Print Icon
To Next Page IconTo Next Page
To Next Page IconTo Next Page
To Previous Page IconTo Previous Page
To Previous Page IconTo Previous Page
Loading...
Installation 3-11
1502-UM051E-EN-P – June 2013
'JHVSFo5ZQJDBM8JSJOHBOE4DIFNBUJD%JBHSBNGPSBNQ'7/3$POUSPMMFS
4FSJFT&t&MFDUSJDBMMZ)FME$POUBDUPS

Related product manuals