EasyManua.ls Logo

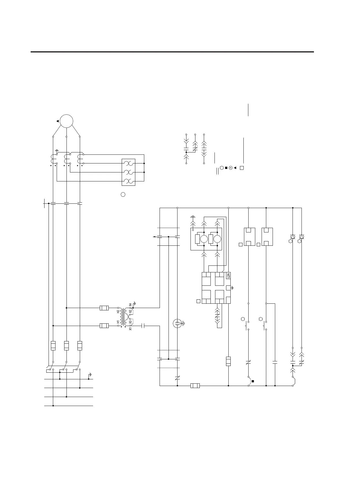
Rockwell Automation Allen-Bradley 1502 - Typical Wiring and Schematic Diagram FVNR Controller Series E Mechanical Latch

Rockwell Automation Allen-Bradley 1502
58 pages
Print Icon
To Next Page IconTo Next Page
To Next Page IconTo Next Page
To Previous Page IconTo Previous Page
To Previous Page IconTo Previous Page
Loading...
3-12 Installation
1502-UM051E-EN-P – June 2013
'JHVSFo5ZQJDBM8JSJOHBOE4DIFNBUJD%JBHSBNGPSBNQ'7/3$POUSPMMFS
4FSJFT&t.FDIBOJDBM-BUDI$POUBDUPS
L1 L3L2 GRD
MTR
ISOLATING SWITCH
DOOR INTERLOCK
CURRENT LIMITING
POWER FUSES
TEST SUPPLY POINT
X
X
PRIMARY FUSES
CURRENT LIMITING
V
VA
V
OVERLOAD
592
REMOTE EQUIPMENT
"IEEE" NUMBER FOR PROTECTIVE DEVICE
LOW VOLTAGE DOOR MOUNTED DEVICE
D
CUSTOMER WIRING
LEGEND
2400V-6900V,3Ø, 50/60Hz
REMOVE JUMPER WHEN CONNECTING REMOTE EQUIPMENT
EXTRA AUXILIARY
CONTACTS
32
1
EC
-
+
4
TCO
12
11
AUX CCO
5
6
L1
G
+-
V
V
DSTART
MAIN
CONTACTOR (M)
OL
2A
21A
M-IV
910
CLOSE
12
14
F7
2.0A
M-IV
1
12
(1) (2)
(3) (4)
NORMAL
OFF
TEST
X
X
47
46
44
42
OL
49
TS
F3
__EF2__EF2
____
120
500
CPT1
M
(6) (5)
(7) (8)
12
ISa
5
IS
T2
T1
CT2
CT1
T3
CT3
11
6
10
F1
F1
F1
78
9
ISb
60Hz120V
INTELLIVAC TO BE PROGRAMMED/CONFIGURED BY THE
POWER APPLIED. THE FOLLOWING FACTORY INSTALLED
OUTPUT RELAY CONTACTS SHOWN WITHOUT CONTROL
MODULE STATUS - FAIL SAFE
CONTACTOR STATUS - FAIL SAFE
CUSTOMER BEFORE START-UP.
CONFIGURATION/POWER-UP STATES ARE IN EFFECT:
INTELLIVAC NOTES:V
- INTELLIVAC MODULE VACUUM CONTACTOR AUXILIARY INPUTAUX
- INTELLIVAC MODULE EXTERNAL CAPACITOR INPUTEC
- INTELLIVAC MODULE CLOSING COIL OUTPUTCCO
- MAIN CONTACTOR INTELLIVAC MODULEM-IV
- INTELLIVAC MODULE TRIP COIL OUTPUTTCO
D
D
RUN
OFF
35
JM
31
MF
30
E
1
R
G
+-
V
M-IV
78
OPEN
3
DSTOP
OL
CC
MOV
TC
MOV
M
B
A
20
2119
D
C
17
M
I
1315
KM
37
33
HM
32
G
ML
34A
MP
34
N
4.0A
MANUAL
TRIP

Related product manuals