EasyManua.ls Logo

Ropex 740303 - Wiring Diagram with Booster (MOD 26)

Default Icon
49 pages
Print Icon
To Next Page IconTo Next Page
To Next Page IconTo Next Page
To Previous Page IconTo Previous Page
To Previous Page IconTo Previous Page
Loading...
Installation
Page 14 RES-403 Version 1
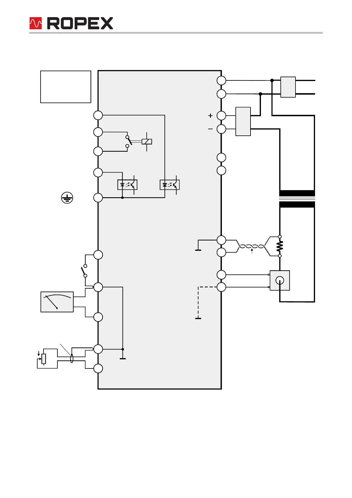
5.7 Wiring diagram with booster connection (MOD 26)
R
Current transformer
Impuls
transformer
11
10
Heat-
sealing
START (HEAT)
with contact
17
16
cw
2K
Cable shielded
LINE
Booster
2
24
OUT
Line filter LF-xx480
4
3
sec.
prim.
twisted
0V
(Internal ground)
grounding allowed!
grounding allowed!

Related product manuals