EasyManua.ls Logo

Ropex 740303 - Standard Wiring Diagram

Default Icon
49 pages
Print Icon
To Next Page IconTo Next Page
To Next Page IconTo Next Page
To Previous Page IconTo Previous Page
To Previous Page IconTo Previous Page
Loading...
Installation
Version 1 RES-403 Page 13
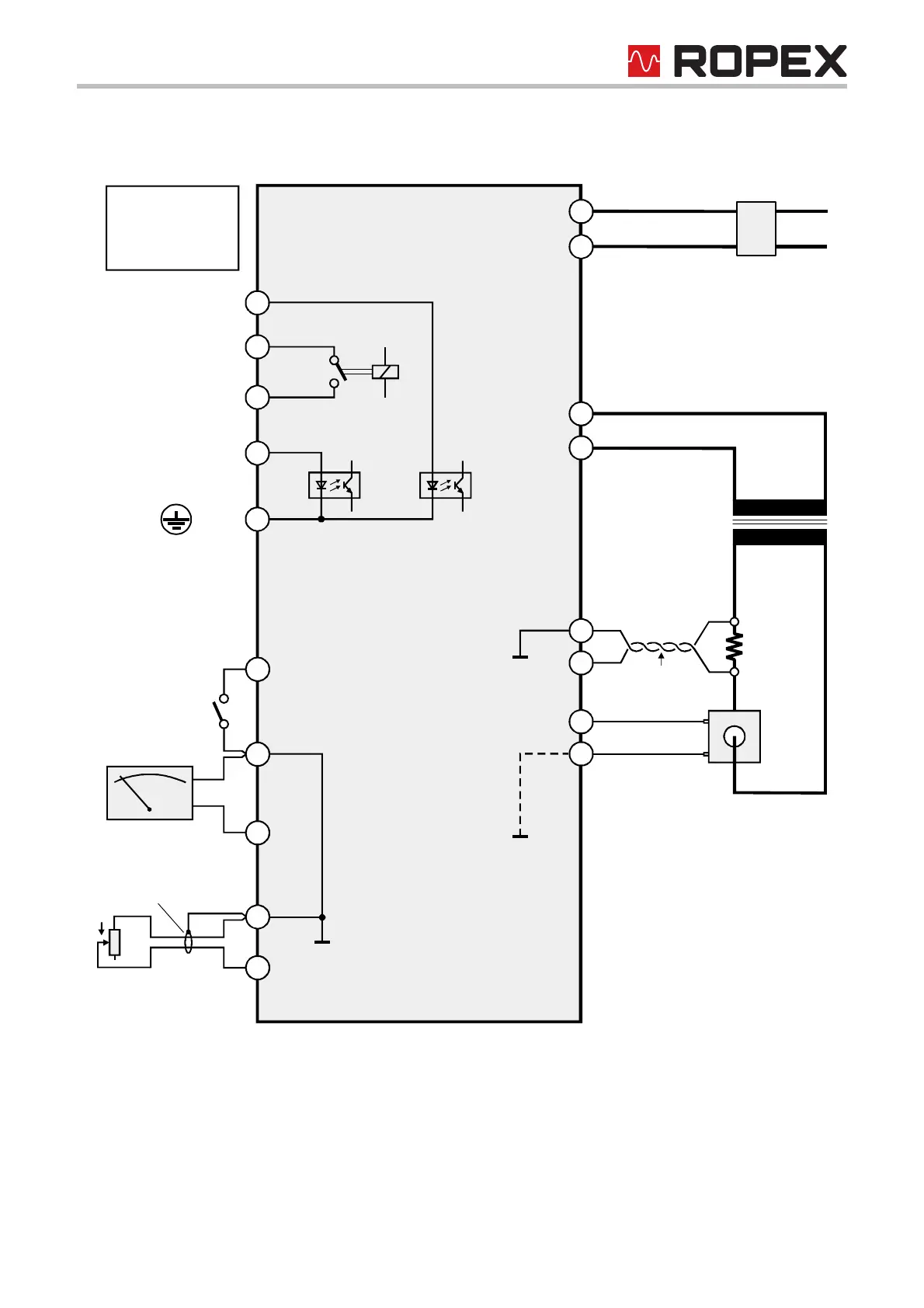
5.6 Wiring diagram (Standard)
R
I
R
U
R
11
10
START (HEAT)
with contact
17
16
cw
2K
Cable shielded
2
1
4
3
Current transformer
Line filter LF-xx480
0V
(Internal ground)
grounding allowed!
grounding allowed!

Related product manuals