EasyManua.ls Logo

RYCO RY20C - TECHNICAL; Electrical Scheme RY20 CB;RY32 CB

RYCO RY20C
38 pages
Print Icon
To Next Page IconTo Next Page
To Next Page IconTo Next Page
To Previous Page IconTo Previous Page
To Previous Page IconTo Previous Page
Loading...
26 MOBILE AND WORKSHOP SERIES OPERATION MANUAL
October 2018 | Version: v1-0
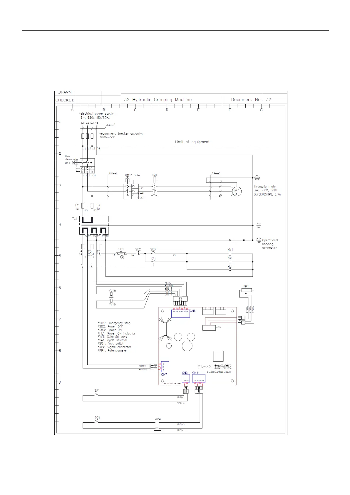
TECHNICAL
ELECTRICAL SCHEME
RY20CB/RY32CB

Related product manuals