EasyManua.ls Logo

RYCO RY20C - TECHNICAL; Electrical Components RY20 C;RY32 C

RYCO RY20C
38 pages
Print Icon
To Next Page IconTo Next Page
To Next Page IconTo Next Page
To Previous Page IconTo Previous Page
To Previous Page IconTo Previous Page
Loading...
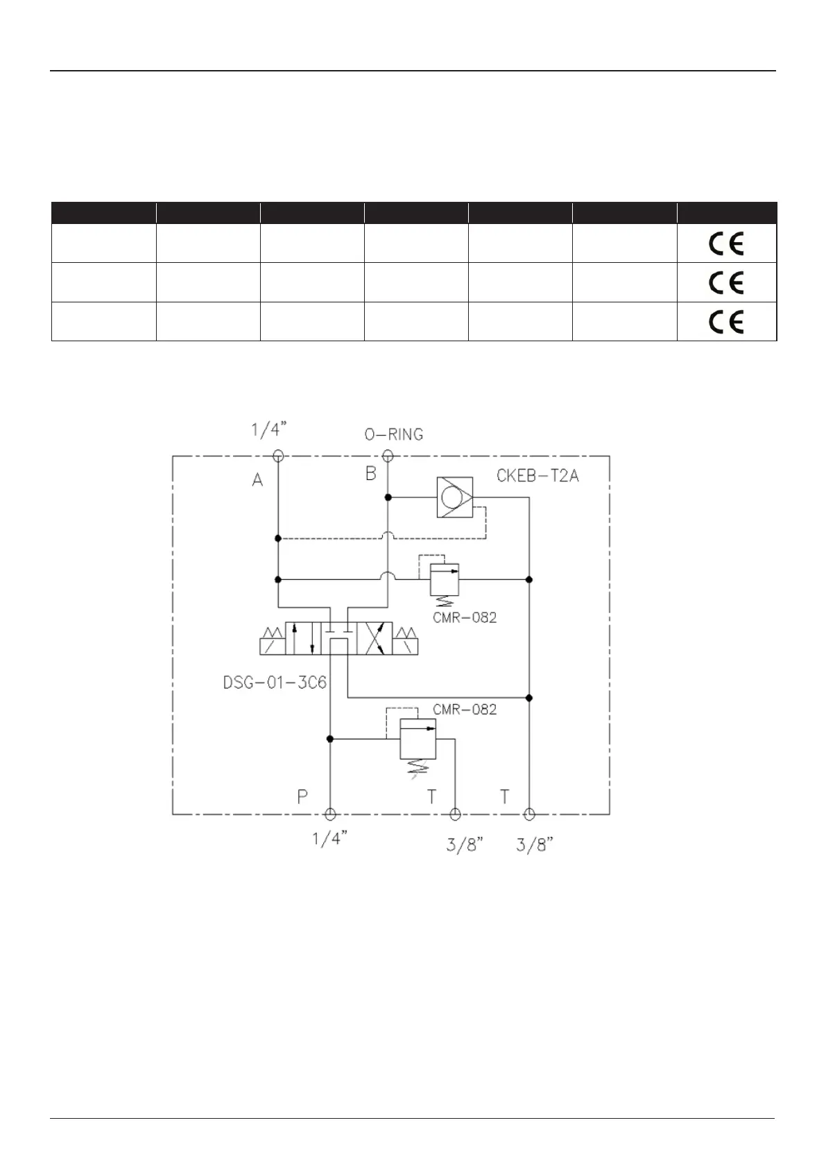
27MOBILE AND WORKSHOP SERIES OPERATION MANUALOctober 2018 | Version: v1-0
TECHNICAL
ELECTRICAL SCHEME
Electrical Components List
RY20C & RY32C
Item Description Manufacture Type Technical Data Standards Marking
F1 Fuse Holder Legrand Fuse 1P
500V
15A
60947-7-3
F2 Fuse Holder Legrand Fuse 1P
500V
15A
60947-7-3
KA1 Relay IDEC RH2S
250V
10A
60225-23

Related product manuals