EasyManua.ls Logo

Sabre 1638 Hydro - Electrical Schematic

Default Icon
191 pages
Print Icon
To Next Page IconTo Next Page
To Next Page IconTo Next Page
To Previous Page IconTo Previous Page
To Previous Page IconTo Previous Page
Loading...
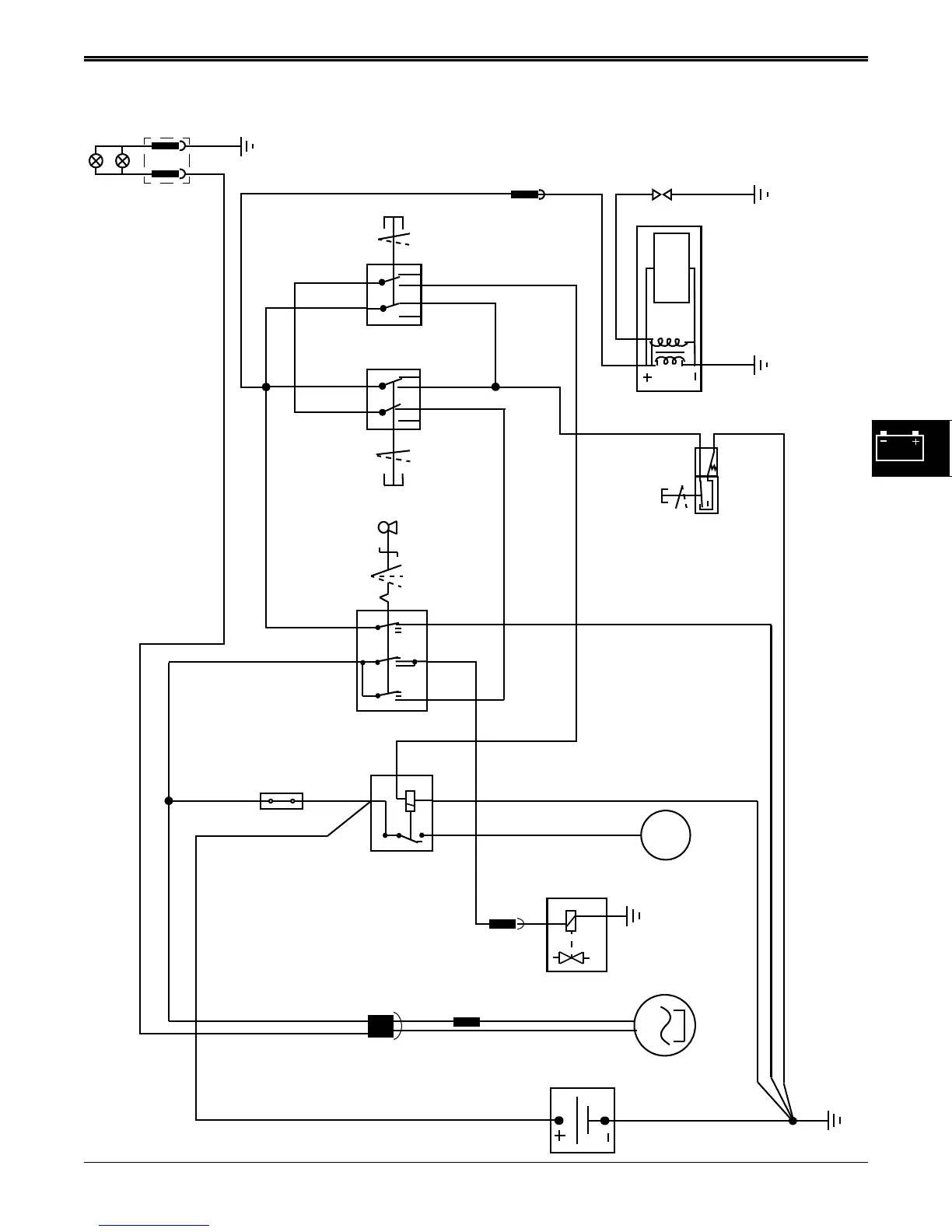
ELECTRICAL SCHEMATIC ELECTRICAL
3/5/97 4 - 5
ELECTRICAL SCHEMATIC
201 RED
401 YEL
RED
710 PUR
100 BLK
105 BLK
STATOR
STARTER
MOTOR
START
SOLENOID
IGNITION
FUEL
SOLENOID
SHUT-OFF
(16 HP ONLY)
2 1
0 = OFF
1 = RUN
0
2 = START
0,1
FRAME GROUND
G
BATTERY
220 RED/BLK
ENGINE
CONNECTOR
15A
M
451 YEL/WHT
940 WHT
120 BLK
110 BLK
945 WHT/BLK
941 WHT
700 PUR
BLADE
IGNITION
MODULE
SPARK
PLUG
DRIVE
SEAT
COIL
10
0 = OFF SEAT
1 = ON SEAT
1
0
0 = OFF
1 = ON
0 = OFF
1 = ON
0
1
BRAKE
HEADLIGHTS
ENGINE
CONNECTOR
SWITCH
SWITCH
705 PUR/WHT
HEADLAMP
CONNECTOR
HARNESS
200 RED
202
201 RED
RED/WHT
946 WHT/BLK
946A
WHT/BLK
941A WHT
942 WHT
710 PUR
FUSE
SWITCH
DIODE
SWITCH
www.servicemanualall.com

Table of Contents

Related product manuals