EasyManua.ls Logo

Sabre 1638 Hydro - Shift Linkage Component Location-K-55 Transaxle

Default Icon
191 pages
Print Icon
To Next Page IconTo Next Page
To Next Page IconTo Next Page
To Previous Page IconTo Previous Page
To Previous Page IconTo Previous Page
Loading...
HYDROSTATIC POWER TRAIN COMPONENT LOCATION
6 - 12 2/12/97
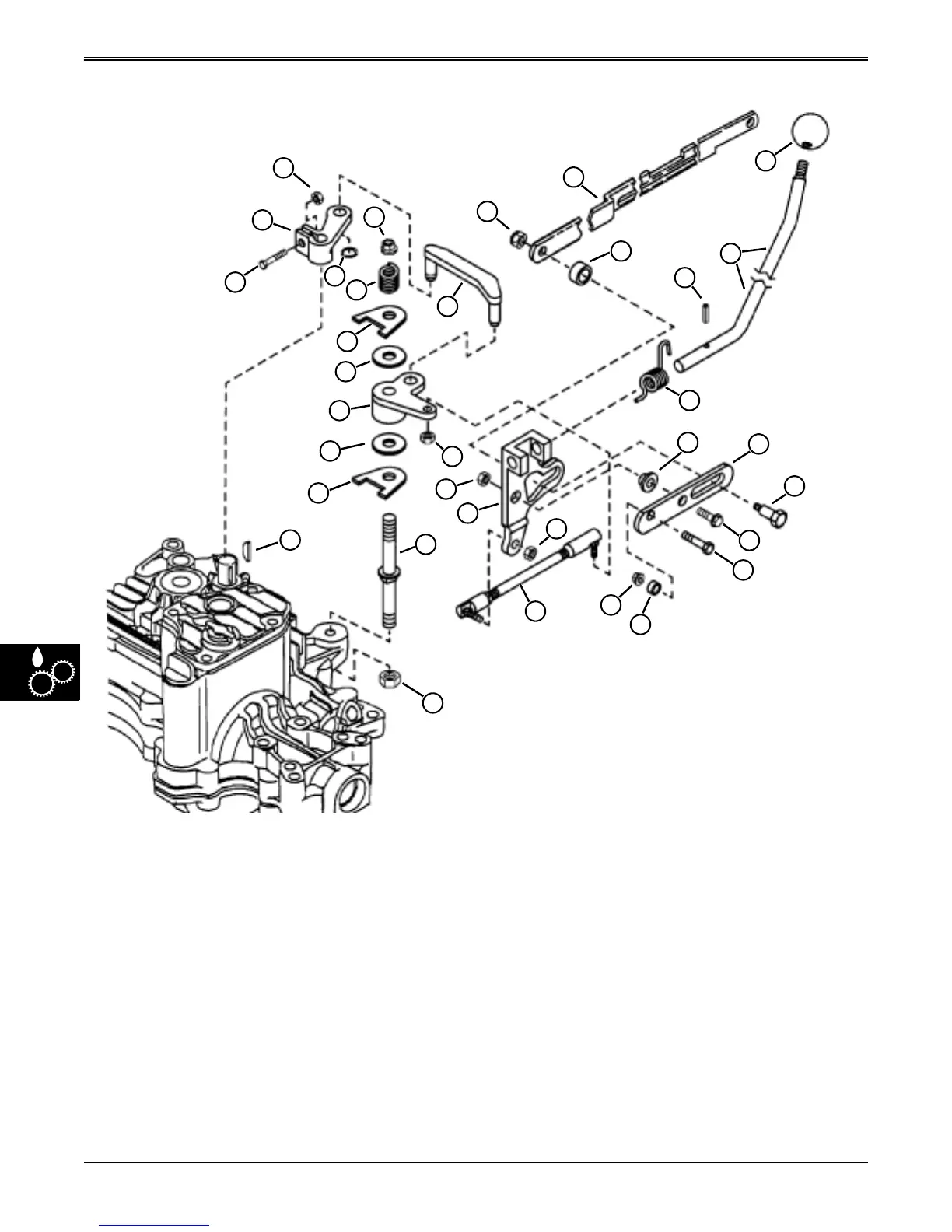
SHIFT LINKAGE COMPONENT LOCATION—K–55 TRANSAXLE
1. Cap Screw (M6x20)
2. Shift Arm
3. Lock Nut (M6)
4. Lock Nut (M10)
5. Flange Nut (M8)
6. Return-To-Neutral Strap
7. Shift Knob
8. Neutral Return Bushing
9. Rolled Pin (M4x20)
10. Shift Lever
11. Shift Lever Neutral Return
Spring
12. Spacer
13. Support Strap
14. Shoulder Bolt
15. Cap Screw (M10x25)
16. Cap Screw (M8x25)
17. Spacer
18. Flange Nut (M8)
19. Lock Nut (5/16-24 UNF 3B)
20. Shift Link Ball Joint Assembly
21. Flange Nut (M8)
22. Mounting Stud (M10x76.5-Top/
M8x40-Bottom)
23. Shift/Return-To-Neutral Bracket
24. Flange Nut (M8)
25. Lock Nut (5/16-24 UNF 3B)
26. Woodruff Key (5/32x5/8 in.)
27. Anchored Washer
28. Friction Disc
29. Bellcrank
30. Friction Disc
31. Anchored Washer
32. Shift Link
33. Tensioning Spring
34. Snap Ring
7
10
9
8
6
5
11
12
13
14
15
16
17
18
20
21
22
23
24
25
27
28
29
30
31
32
33
1
34
4
2
3
26
19
www.servicemanualall.com

Table of Contents

Related product manuals