EasyManua.ls Logo

Sabre 1638 Hydro - Page 36

Default Icon
191 pages
Print Icon
To Next Page IconTo Next Page
To Next Page IconTo Next Page
To Previous Page IconTo Previous Page
To Previous Page IconTo Previous Page
Loading...
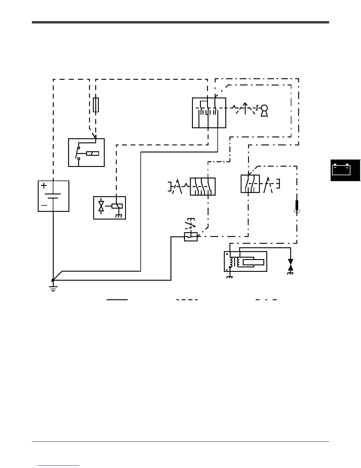
DIAGNOSTICS ELECTRICAL
3/5/97 4 - 13
BLACK
RED
RED
200 RED
BLACK
401 YELLOW
100
FRAME GROUND
BATTERY
KEY SWITCH
BLADE
DRIVE
BRAKE
SWITCH
GROUND POWER CONTROL
1
0
1
0
1
0
01
2
IGNITION
MODULE
E1 SPARK
PLUG
COIL
FUEL
SOLENOID
SHUT-OFF
(OPTIONAL)
100 BLACK
110 BLACK
401
942 WHITE
YELLOW
941 WHITE
941 WHITE
942 WHITE
940 WHITE
940 WHITE
945 WHITE/BLACK
946
BLACK
WHITE/
SEAT
SWITCH
201 Orange
B
M
G
A
ST
SOLENOID
STARTER
0=OFF
1=RUN
2=START
0=OFF
1=ON
0=OFF
1=ON
0=OFF
1=ON
ENGINE
CONNECTOR
SWITCH
www.servicemanualall.com

Table of Contents

Related product manuals