EasyManua.ls Logo

Sailor RT5022 - System Block Diagrams

Sailor RT5022
60 pages
Print Icon
To Next Page IconTo Next Page
To Next Page IconTo Next Page
To Previous Page IconTo Previous Page
To Previous Page IconTo Previous Page
Loading...
44
Installation
0505
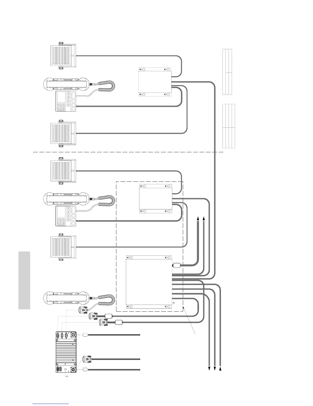
9.2.1 System Block diagram with Connection Box and
2 x Extension Box
(rear view)
Option
Sparc-bus
Handset
(Optional)
DSC Antenna
RG213
56.114
L=5m
Factory supplied with Connection Box
539603
L=5m
Factory supplied with VHF
To VDR
To ships alarm panel or announcer
2x0.5mm2
From position sensor (GPS)
(mixed Rx/Tx Audio)
2x0.5mm2,
max 100m
NMEA
1x2x0.5mm2
(Optional)
(Optional)
Extension Box
Ext. speaker (CU)
Ext. speaker (VHF)
CU 1 (Optional)
(Optional)
Extension Box
To LAN Box (optional)
To Alarm Panel - (if installed)
2x2x0.5mm2, max 100m
8x2x0.5mm2, max. 20m
8x2x0.5mm2, max. 20m
Connection Box
39701
56.111
L=1.2m
Factory supplied with LAN Box
539439
VHF
L=3m
(Optional) (Optional)
Ext. speaker (CU)
Ext. speaker (VHF)
CU 2 (Optional)
L=3m
Handset
PL259
RX/TX Antenna
RG213
PL259
Power
12-24V DC
L=1.5m
furnished with equiptment
Note:
Sparc-cable length specification
Conductor size
Maximum cable length
8x2x0.5mm2
20m
8x2x0.75mm2
30m
8x2x1mm2
40m
All cabling not furnished with equipment to be overall screened type.
Cable screens must be securely grounded at cable inlets in connection boxes, as illustrated in cable connection diagrams.
Power connection, 12-24VDC supply
Power cable p/n xx.xxx, 1.5m 2x4.0mm2
+ VDC
White
0 VDC
Black
(Optional)
Cable Connection diagram
See next page:
.

Other manuals for Sailor RT5022

Related product manuals