EasyManua.ls Logo

SAME SILVER 100.6 - Page 390

Default Icon
470 pages
Print Icon
To Next Page IconTo Next Page
To Next Page IconTo Next Page
To Previous Page IconTo Previous Page
To Previous Page IconTo Previous Page
Loading...
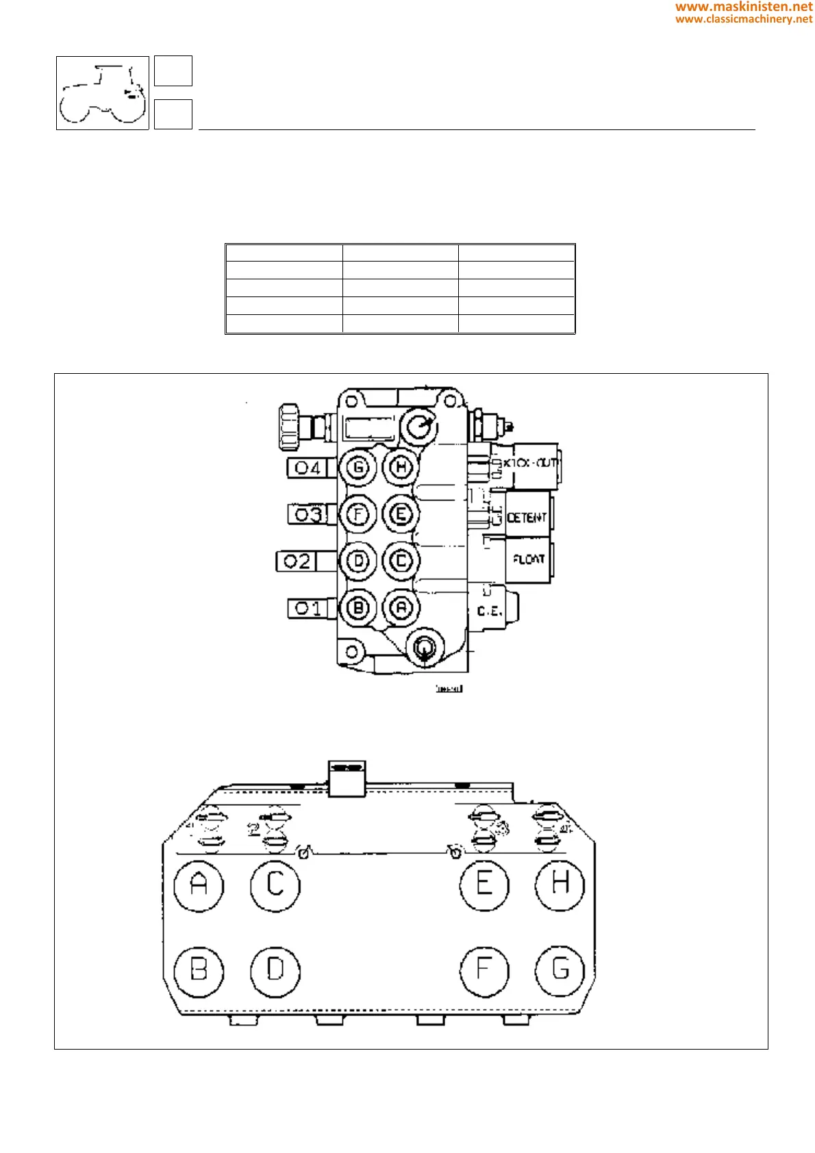
Fitting the oil lines to auxiliary hydraulic spool valves.
These must be fitted as indicated in figure 15 and in accordance with the data in the table below.
At the moment of assembly, apply a small quantity of Loctite 572 to the spool valve fitting.
Fig. 15 - Fitment of oil lines to auxiliary hydraulic spool valves.
REF P/N LENGTH mm
A - B 008.9698.3 950
C - D 008.9699.3 850
E - F 008.9700.3/10 730
G - H 008.9701.3/10 630
88
8
systems
auxiliary systems
390
www.maskinisten.net
www.classicmachinery.net

Table of Contents

Related product manuals