EasyManua.ls Logo

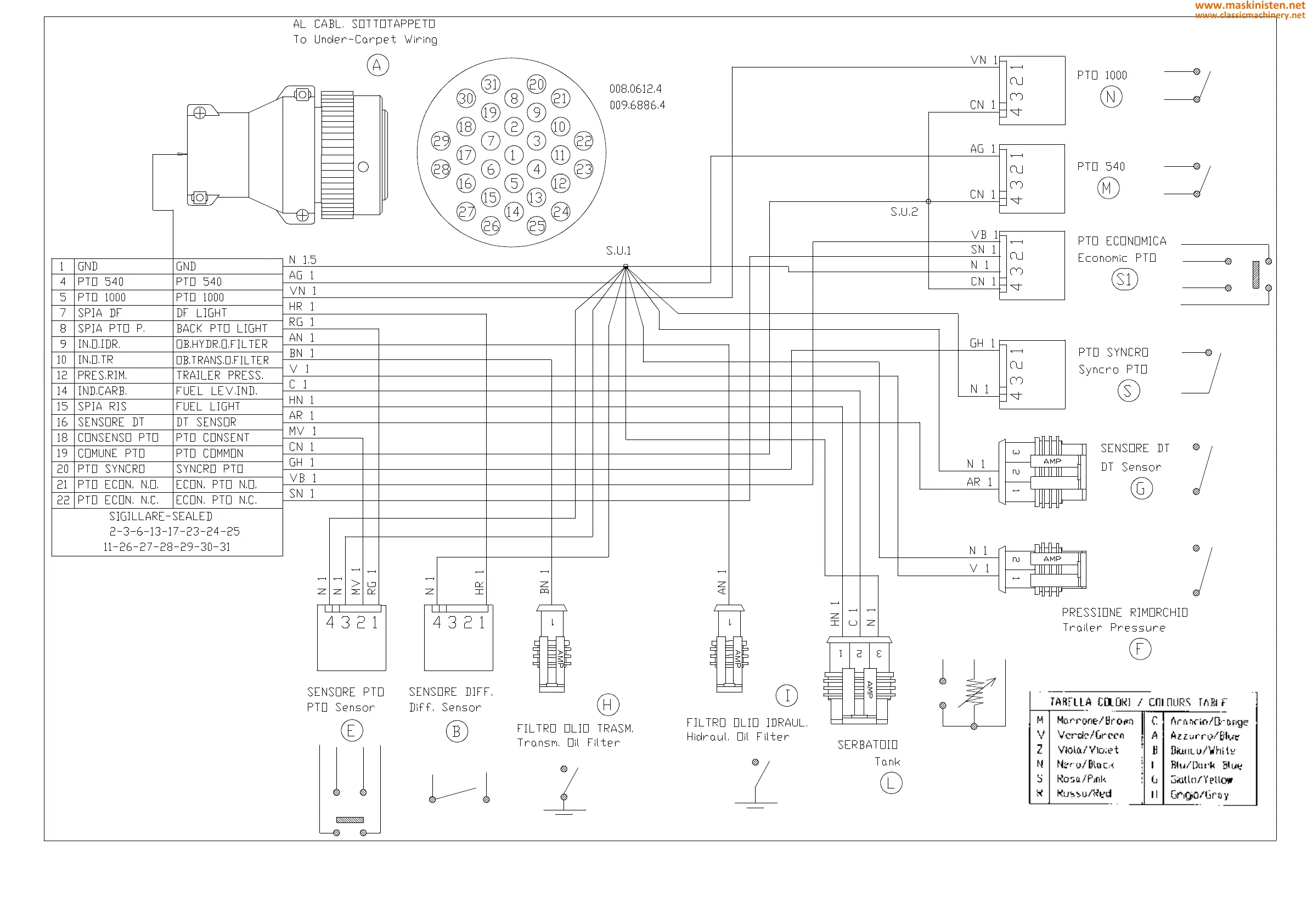
SAME SILVER 100.6 - REAR END WIRING (Mechanical Controls) 008.0379.4;40

Default Icon
470 pages
Print Icon
To Next Page IconTo Next Page
To Next Page IconTo Next Page
To Previous Page IconTo Previous Page
To Previous Page IconTo Previous Page
Loading...
CHASSIS WIRING SHEET 23 - REAR END WIRING (mechanical controls) 008.0379.4/40
443
www.maskinisten.net
www.classicmachinery.net

Table of Contents

Related product manuals