EasyManua.ls Logo

SAME SILVER 100.6 - Page 444

Default Icon
470 pages
Print Icon
To Next Page IconTo Next Page
To Next Page IconTo Next Page
To Previous Page IconTo Previous Page
To Previous Page IconTo Previous Page
Loading...
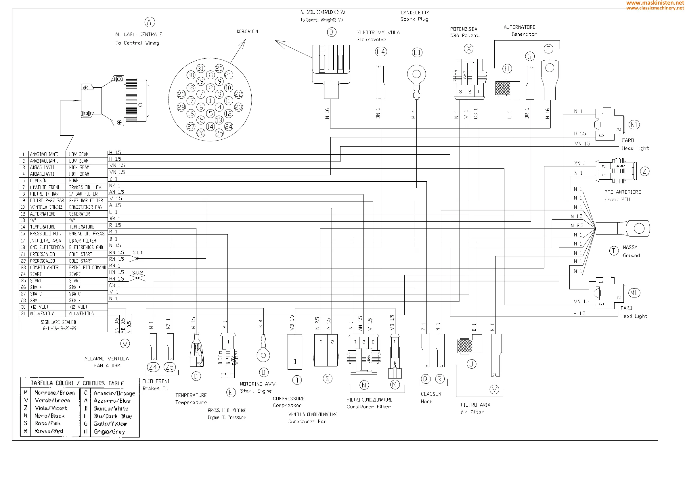
CHASSIS WIRING SHEET 24 - FRONT END WIRING WITH 85 A ALTERNATOR 007.7668.4
444
www.maskinisten.net
www.classicmachinery.net

Table of Contents

Related product manuals