EasyManua.ls Logo

SAME SILVER 100.6 - Page 447

Default Icon
470 pages
Print Icon
To Next Page IconTo Next Page
To Next Page IconTo Next Page
To Previous Page IconTo Previous Page
To Previous Page IconTo Previous Page
Loading...
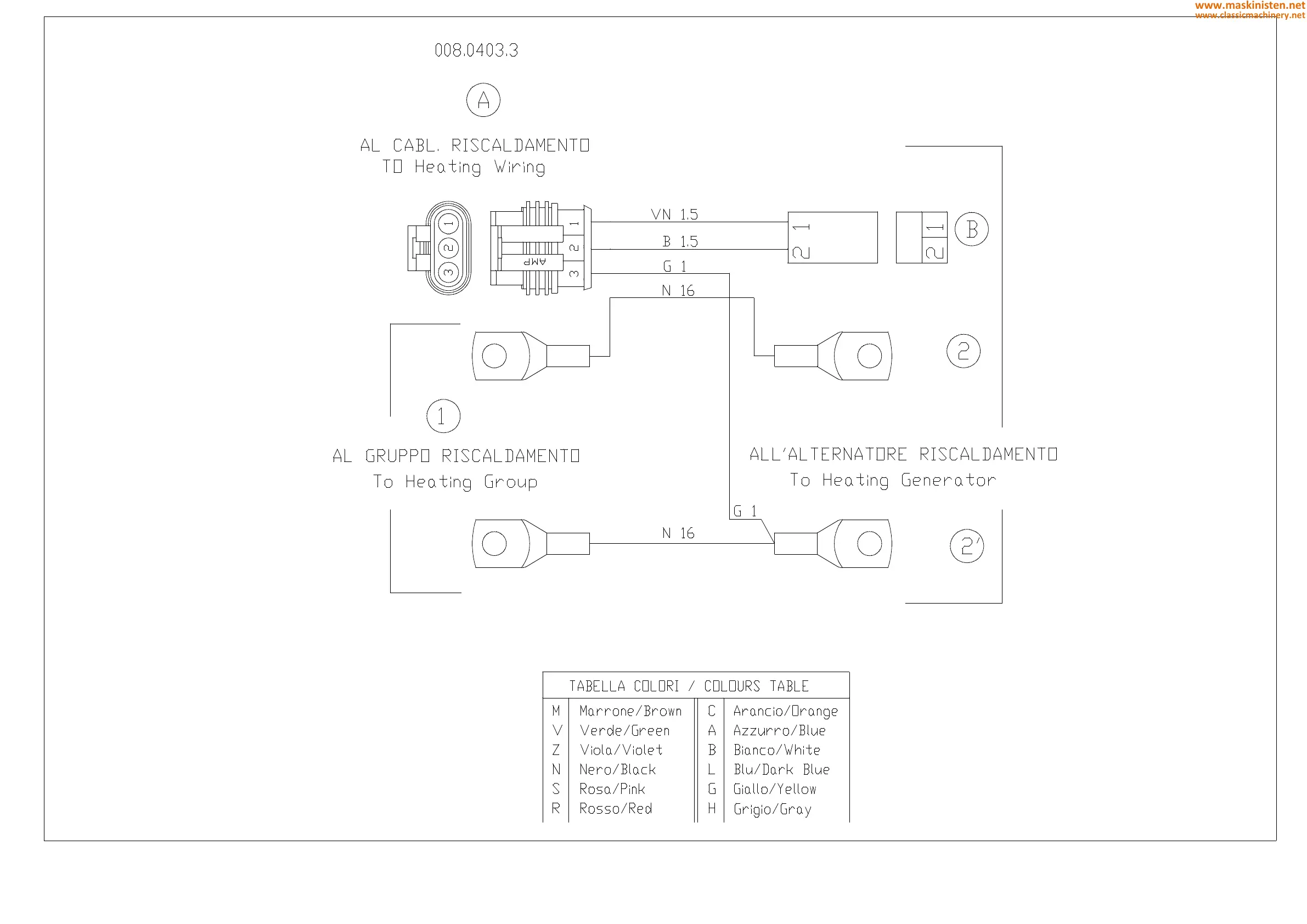
CHASSIS WIRING SHEET 27 - ELECTRIC HEATER WIRING 008.0404.3 (for standard heating system) 007.6873.3 (for cold climate heating system)
447
www.maskinisten.net
www.classicmachinery.net

Table of Contents

Related product manuals