EasyManua.ls Logo

SAME SILVER 100.6 - Page 470

Default Icon
470 pages
Print Icon
To Previous Page IconTo Previous Page
To Previous Page IconTo Previous Page
Loading...
A
B
C
D
E
F
G
H
I
L
M
N
O
P
Q
R
S
T
U
Z
W
2-3bar
210 bar
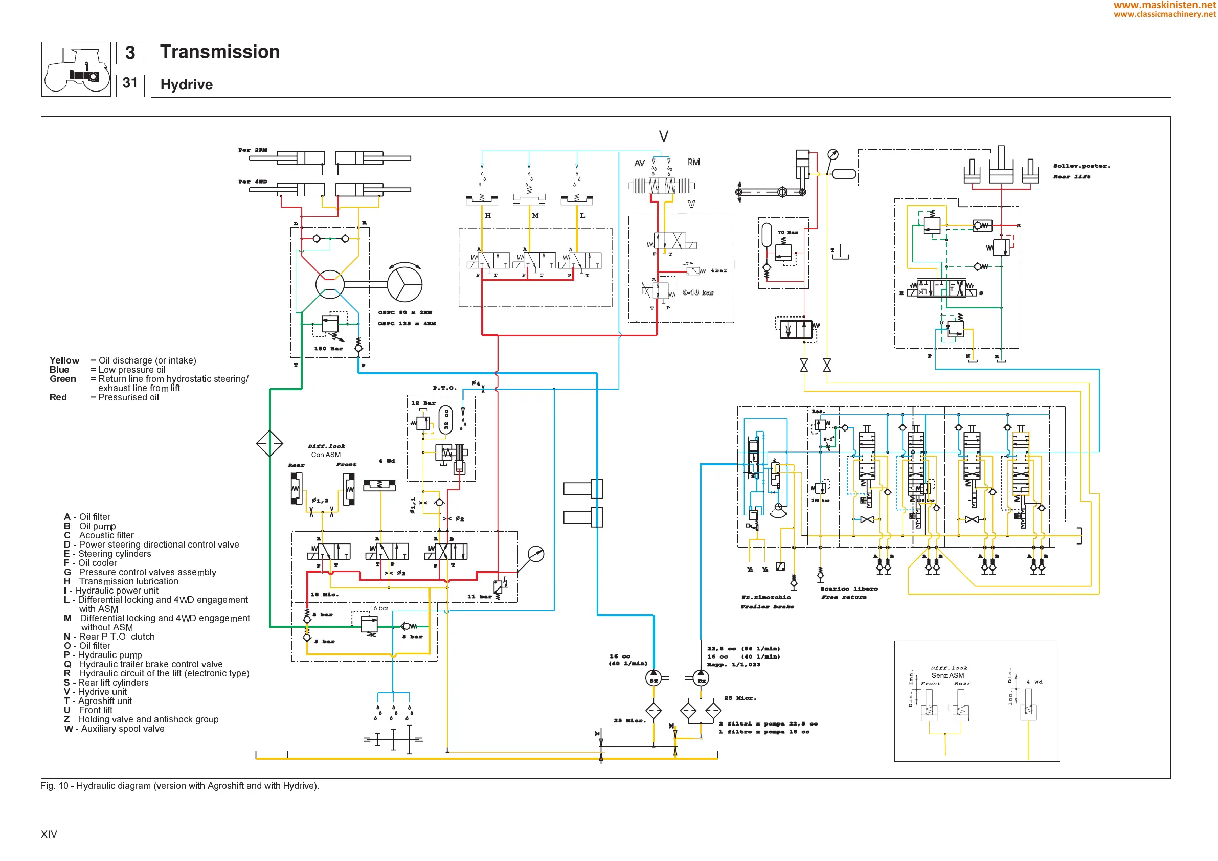
Yellow
= Oil discharge (or intake)
Blue
= Low pressure oil
Green
= Return line from hydrostatic steering/
exhaust line from lift
Red
= Pressurised oil
A
- Oil filter
B
- Oil pump
C
- Acoustic filter
D
- Power steering directional control valve
E
- Steering cylinders
F
- Oil cooler
G
- Pressure control valves assembly
H
- Transmission lubrication
I
- Hydraulic power unit
L
- Differential locking and 4WD engagement
with ASM
M
- Differential locking and 4WD engagement
without ASM
N
- Rear P.T.O. clutch
O
- Oil filter
P
- Hydraulic pump
Q
- Hydraulic trailer brake control valve
R
- Hydraulic circuit of the lift (electronic type)
S
- Rear lift cylinders
V
- Hydrive unit
T
- Agroshift unit
U
- Front lift
Z
- Holding valve and antishock group
W
- Auxiliary spool valve
Fig. 10 - Hydraulic diagram (version with Agroshift and with Hydrive).
XIV
Transmission
Hydrive
3
31
www.maskinisten.net
www.classicmachinery.net

Table of Contents

Related product manuals