EasyManua.ls Logo

Samlexpower Evolution Series - Section 4

Samlexpower Evolution Series
132 pages
Print Icon
To Next Page IconTo Next Page
To Next Page IconTo Next Page
To Previous Page IconTo Previous Page
To Previous Page IconTo Previous Page
Loading...
66 | SAMLEX AMERICA INC.
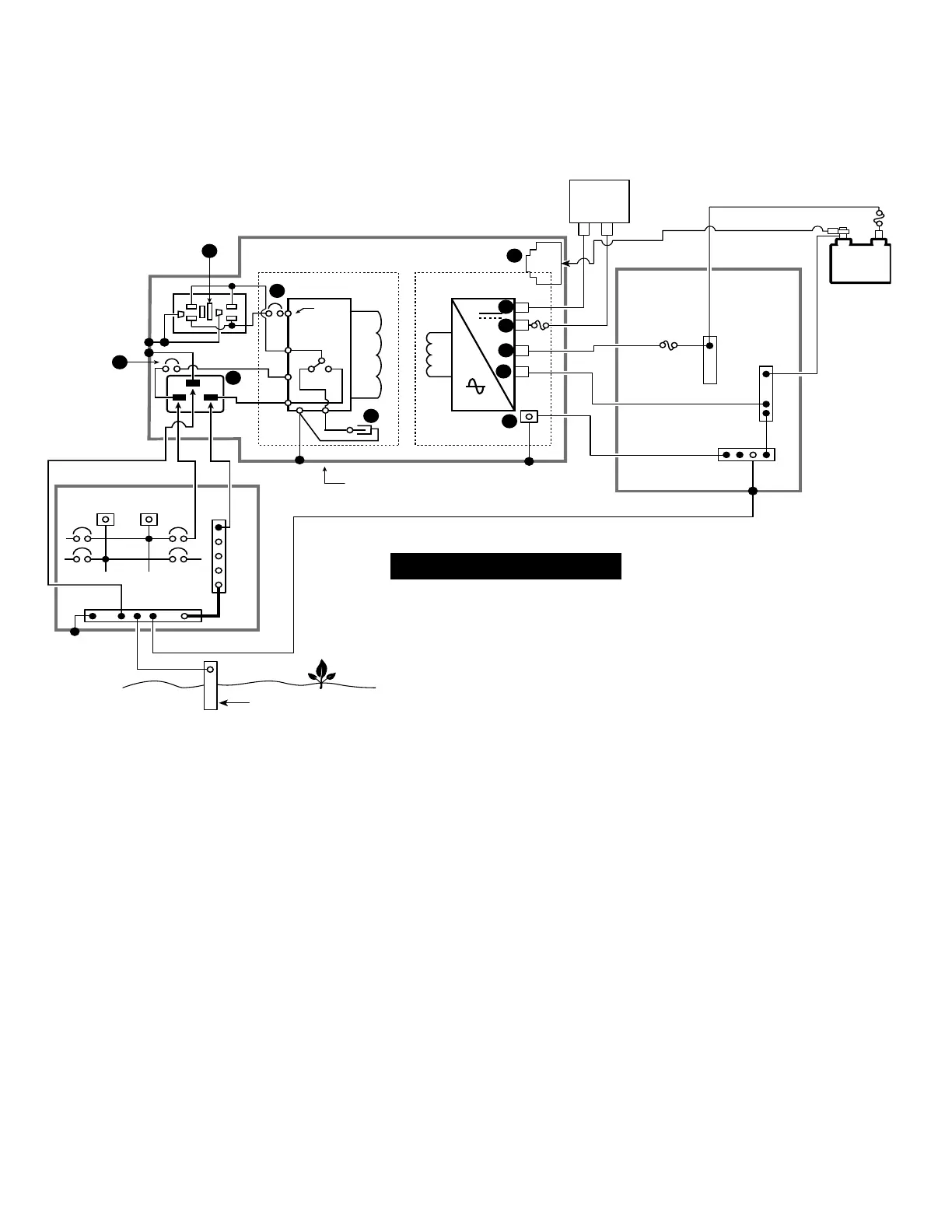
Fig 3.12 Installation Diagram for Typical Shore Based Installation for
EVO-1212F and EVO-1224F
SECTION 3 | Installation

Other manuals for Samlexpower Evolution Series

Related product manuals