EasyManua.ls Logo

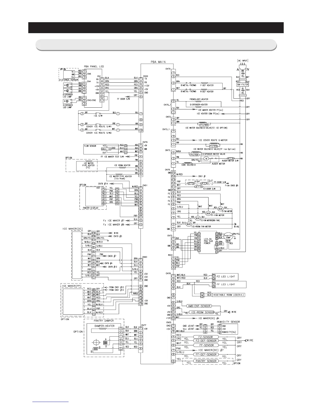
Samsung RF263BEAE** - Schematic Diagram; 7-1) Whole block diagram

Samsung RF263BEAE**
105 pages
Print Icon
To Next Page IconTo Next Page
To Next Page IconTo Next Page
To Previous Page IconTo Previous Page
To Previous Page IconTo Previous Page
Loading...
99

6-1) Model : RF263TEAE**, RF263BEAE**, RF263NEAE**
This document can not be used without Samsung's authorization

Table of Contents

Related product manuals