EasyManua.ls Logo

Sanyo PLC-XE33

Sanyo PLC-XE33
110 pages
To Next Page IconTo Next Page
To Next Page IconTo Next Page
To Previous Page IconTo Previous Page
To Previous Page IconTo Previous Page
Loading...
-66-
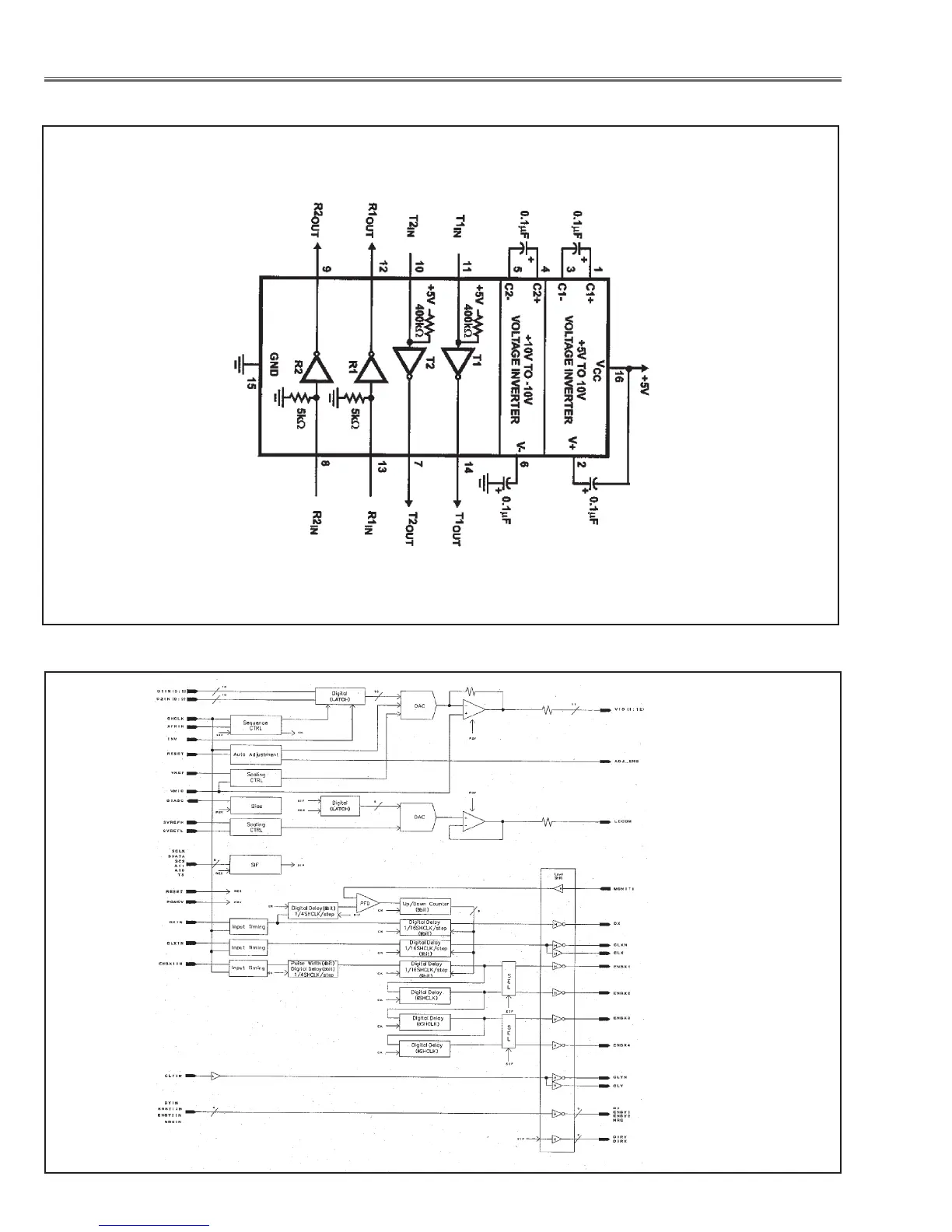
IC Block Diagrams
MAX232ECPWRP <RS-232C Driver, IC3801>
L3E06170 <D/A, S/H-LCD Driver, IC501, IC531, IC561>

Table of Contents

Other manuals for Sanyo PLC-XE33

Related product manuals