EasyManua.ls Logo

Sanyo PLC-XE33

Sanyo PLC-XE33
110 pages
To Next Page IconTo Next Page
To Next Page IconTo Next Page
To Previous Page IconTo Previous Page
To Previous Page IconTo Previous Page
Loading...
-67-
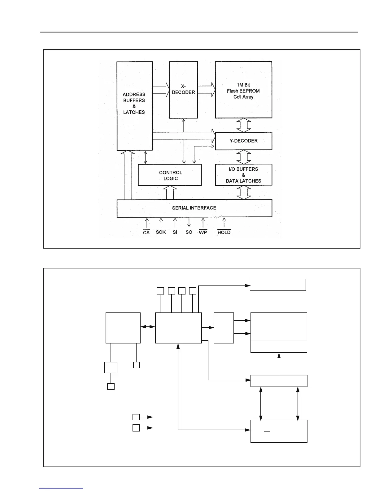
IC Block Diagrams
LE25FU106BMA <Flash IC, IC8803>
24AA64T-I/MS <EEPROM, IC8802>
HV GENERATOR
EEPROM
ARRAY
PAGE LATCHES
YDEC
XDEC
SENSE AMP
R/W CON TROL
I/O
CONTROL
LOGIC
I/O
MEMORY
CONTROL
LOGIC
A0 A1 WPA2
SCL
SDA
VCC
VSS

Table of Contents

Other manuals for Sanyo PLC-XE33

Related product manuals