EasyManua.ls Logo

Sanyo PLC-XE33

Sanyo PLC-XE33
110 pages
To Next Page IconTo Next Page
To Next Page IconTo Next Page
To Previous Page IconTo Previous Page
To Previous Page IconTo Previous Page
Loading...
-68-
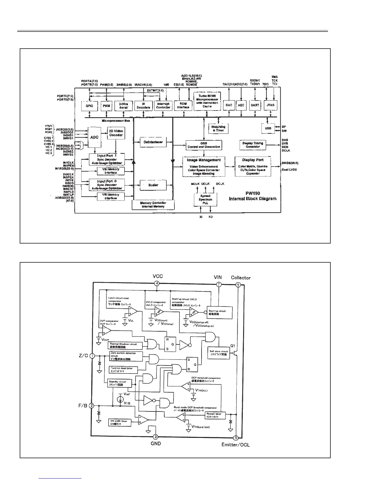
IC Block Diagrams
PW190 <Scaler, IC301>
MR4010 <Power OSC, IC631>

Table of Contents

Other manuals for Sanyo PLC-XE33

Related product manuals