EasyManua.ls Logo

Sanyo PLC-XE33

Sanyo PLC-XE33
110 pages
To Next Page IconTo Next Page
To Next Page IconTo Next Page
To Previous Page IconTo Previous Page
To Previous Page IconTo Previous Page
Loading...
-69-
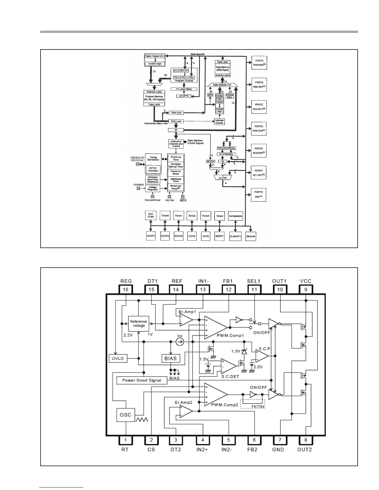
IC Block Diagrams
PIC18F67J60<LAN CONTROL,IC8801>
FA7703 <DC-DC Converter, IC7811>

Table of Contents

Other manuals for Sanyo PLC-XE33

Related product manuals