EasyManua.ls Logo

SATO /s8408 - Hex Dump Mode

SATO /s8408
138 pages
Print Icon
To Next Page IconTo Next Page
To Next Page IconTo Next Page
To Previous Page IconTo Previous Page
To Previous Page IconTo Previous Page
Loading...
Unit 4: Printer Configuration
S8400 Series Operator Manual
4-22 PN: 9001160 (C)
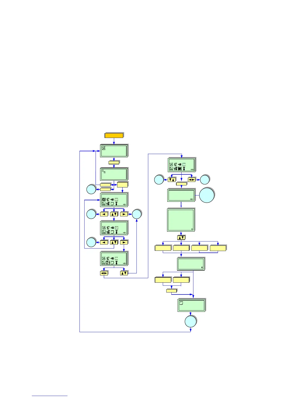
HEX DUMP MODE
The contents of the print buffer and the data received before it is placed into the print buffer may be examined
through the use of the Hex Dump Mode. Each line of the printed data is enumerated in the first column, the second
column contains the data in hexadecimal format, and the right column contains the same data in ASCII format.
The options are: receive data, receive buffer, internal data, and send back data. However, only one type of data
may be printed on a single label. Repeat the hex dump process to print the other data types as desired. You cannot
enter the Hex Dump Mode when a print item exists.
The following four types of data are available for Hex Dump printing.
Data received after setting Hex Dump Mode.
Data (for one item) received before setting Hex Dump Mode.
Data registered in internal buffer.
Returning received data, which is a single item.
Use the buttons on the printer’s operator panel to select and enter the required options. Refer to the Menu
Definition Tables in this chapter for an explanation of each menu screen.
Figure 4-20, Hex Dump Mode
Hex
Dump is
printed
POWER
LINE
ENTER
Receive Data
ENTER
Receive Buffer
ENTER
Displayed
if password
feature is
enabled
PASSWORD
0000
ENTER
5 sec.
LINE
CANCEL
Cancels
print job
Internal Data
ENTER
OFFLINE
QTY: 000000
ONLINE
QTY: 000000
ONLINE MODE
CF Card
Mode
User
Mode
SEMBL MODE
Service
Mode
ADVANCED MODE
Service
Mode
Interface
Mode
HEX DUMP MODE
SELECT DUMP DATA
RECEIVE DATA
RECEIVE BUFFER
INTERNAL DATA
SEND BACK DATA
Send Back Data
ENTER
HEX DUMP
NORMAL HALF
LINE
Receive Data
Internal Data
For For
ONLINE

Table of Contents

Related product manuals