EasyManua.ls Logo

Schiller AT-2 - Page 93

Schiller AT-2
109 pages
Print Icon
To Next Page IconTo Next Page
To Next Page IconTo Next Page
To Previous Page IconTo Previous Page
To Previous Page IconTo Previous Page
Loading...
1
Schiller AG
Altgasse 68
CH-6340 Baar
Drawn by: STR
Entw: TM 17
2391FA
05.10.99Size:
S.
Date: Sheet ofA3
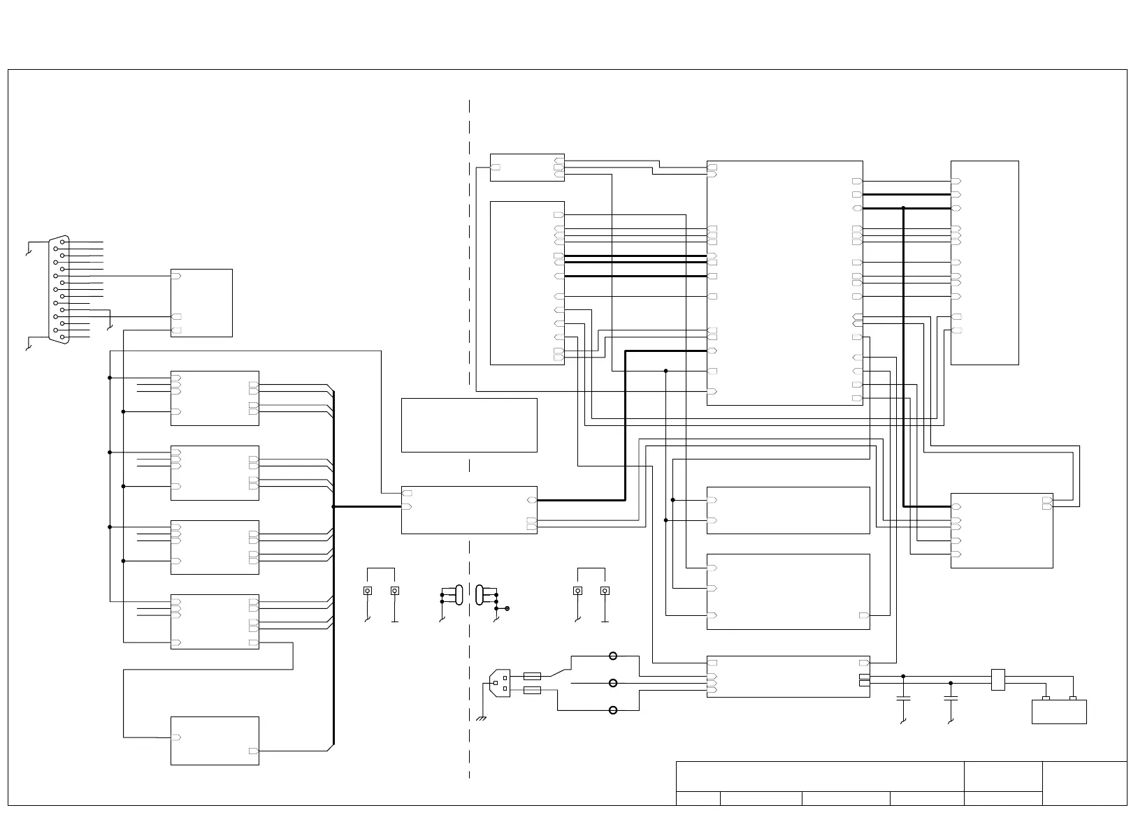
MICROPROCESSOR MK12-1 (AT-2)
ISOLATED
SHEET 5
SHEET 6
SHEET 8
SHEET 4
SHEET 3
SHEET 2
SHEET 17
KBI[0..4]
KBS[0..3]
A[1..17]
D[0..15]
LED[0..5]
ECGC[0..5]
AKKU+
AKKU-
230VAC
115VAC
0V
TP1
AMP
TP2
AMP
TP3
AMP
1
2
P6
2*1B
Cave
200mAT/230V
315mAT/115V
200mAT/230V
315mAT/115V
L
N
+-
Akku
BATT
AKKU+
AKKU-
LEDMAINS
230VAC
115VAC
0V
MAINS INPUT / BATTERY CHARGER
ON
uPOFF/
BLOWMON/
POWER ON/OFF
MON/
uPOFF/
+5.2V/+24V DC/DC CONVERTER
ON
STRB1
STRB2
TPHT
KBI[0..4]
KBS[0..3]
LED[0..5]
TPL/
FIFOTPC
FIFOTPD
LEDMAINS
QSMTPD
QSMTPC
TPC/KEYBOARD
D[0..15]
BATT
BLOW
uPOFF/
CSUSRAM/
CSLSRAM/
PROM/
CSFIFO/
KBI[0..4]
LED[0..5]
TPHT
ECGC[0..5]
MON/
R/W/
A[1..17]
KBS[0..3]
FRES/
TPL/
STRB1
STRB2
PMD
PMARK
CLK2
GETRESGETRES
OVERFLOVERFL
KONV
CSCOUNT/
MINH/
QSMTPD
QSMTPC
SYSCLK
CPU
PART C
SHEET 10
SHEET 11
SHEET 12
SHEET 14
SHEET 13
SHEET 15
SHEET 9
SHEET 16
C2
C3
C4
C5
C6
LA
RA
RA-F
LA-F
C6-F
C5-F
C4-F
C3-F
C2-F
C1
C1-F
C1OS
C2OS
C3OS
C4OS
C5OS
C6OS
LAOS
RAOS
EBI0
EBI1
EBI2
EBI9
EBI3
EBI4
EBI16
EBI13
EBI15
EBI14
EBI11
EBI10
EBI8
EBI5
EBI6
EBI7
EBI12PMPON
RA1
RA1
LL
RL(N)
RA
C4
C3
C2
LA
LL
C5
C1
C6
RL(N)
EBI[0..16]
CAVEi
CAVEi
CAVEi
14
6
13
5
12
4
11
3
10
2
9
1
7
15
816
17
P1
DSUB-15WF-90
NC1...19 NC21...45
CAVECAVEI
NC50...70
N1 N2 N3 N4
CAVEi CAVEDGNDi GND
WP0
WP1
KONV
CSCOUNT/
D[0..15]
GETRES
OVERFL
12BITZAEHLER
D[0..15]
CSUSRAM/
CSLSRAM/
PROM/
CSFIFO/
FIFOTPC
FIFOTPD
R/W/
A[1..17]
FRES/
CLK2
SYSCLK
RAM
EBI[0..16]
ECGC[0..5]
K
WP1
WP0
ECG AMPLIFIER PART B
PART C
LL
RL(N)
S2
ECG AMPLIFIER PART C
K
S2
C1 C1OS
C2
C2-F
C1-F
C2OS
CHANNEL C1 C2
K
S2
C3 C3OS
C4 C4OS
C3-F
C4-F
CHANNEL C3 C4
K
S2
C5 C5OS
C6
C5-F
C6-F
C6OS
CHANNEL C5 C6
K LAOS
LA
RA
LA-F
RAOS
RA-F
RA1S2
CHANNEL LA RA
PMPON
RA1
PACEMAKER DETECTION
DC-DC CONVERTER
PMD
PMARK
MON/
MINH/
PAPERMARKER
SHEET7
C248
150N/1206
C249
150N/1206
CAVE CAVE

Other manuals for Schiller AT-2

Related product manuals