EasyManua.ls Logo

Schiller AT-2 - Page 94

Schiller AT-2
109 pages
Print Icon
To Next Page IconTo Next Page
To Next Page IconTo Next Page
To Previous Page IconTo Previous Page
To Previous Page IconTo Previous Page
Loading...
2
Schiller AG
Altgasse 68
CH-6340 Baar
Drawn by: STR
Entw: TM 17
2391FA
05.10.99Size:
S.
Date: Sheet ofA3
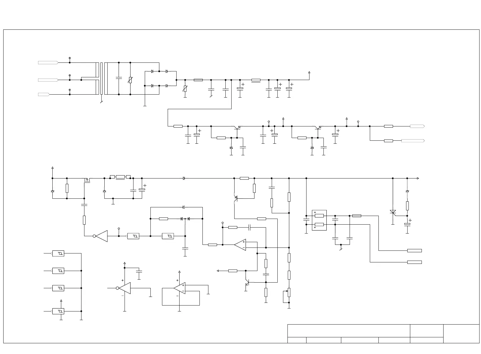
MAINS INP. / BATT. CHARGER MK12-1 (AT-2)
MAINS
(BSP171)
BATT
LEDMAINS
AKKU+
AKKU-
230VAC
115VAC
0V
AKKU+
AKKU-
+U5
+U10
+U
+U
+U10
+U10
GND GND GND GND
GND
GND GND
GND GND
GND GND
GND GND
GND
GND
GND
GND
GND
GND
GND
GND
GND
GND
GND
GND
GND
GND
GND
GND
GND
CAVE
CAVE
+U5
+U5
+UD
D1
SGL41
D2
SGL41
D3
SGL41
D4
SGL41
D5
SGL41
D6
BAV99
Q1
BC857
3
2
1
84
U1A
LM358
D7
BZX84C15
21
3
D8
TIC116M
R1
1M
Q2
BC847
5
6
7
U1B
LM358
D9 MMBD914
D10
BZX84C15
Q3
BC847
D11
BZX84C10
D12
BZX84C5V6
Q4
BC847
L1 22UH
C1
47N
C2
47N
C3
10U/35V
C4
47N
C5
1U/16V
C6
47N
C7
47N
C8
1U/16V
C9
47N
C10
47N
C11
10N
C12
47N
C14
100N
1312
1
U2F
74HC14
1110
1
U2E
74HC14
C15
1U/X7R
Q5
RFD15P05SM
TP4 TP5
TP6
TP7
D13
SGL41
45
U3B
TSC426
27
63
U3A
TSC426
C17
220U/35V
C18
220U/35V
C19
1000U/35V
C20
220U/35V
R2
100K
R3
24K
R4
1K
R5
4K7
R6
24K
R7
10K
R8
100K
R9
0R39
VR1
VR100K
R10
1K
R11
10R
R12
47R
R13
6K2
98
1
U2D
74HC14
34
1
U2B
74HC14
56
1
U2C
74HC14
12
147
1
U2A
74HC14
R14
10K
C21
47N
L2
68UH/110D
R15
1K8
R16
1K8
R17
47R
C22
1U/X7R
C23
47N
R19
330K
R20
220K
R21
1K8
5
6
1
2
3
4
11
T1 NETZTRAFO
C24
47N
C25
47N
C171
47N
3
2 1
4
L3
1MH CMR
R18
100R
C13
1U/16V
C230
1U/X7R
TP90
TP91
TP92
C16
1N5
SI1
1.5AT
SI2
2.5AT
RV11
ZNR33V
+U = 25VDC,
+UD: 0,6A Last
f = 100kHz
RV22
ZNR33V
GND
CAVE

Other manuals for Schiller AT-2

Related product manuals