EasyManua.ls Logo

Schiller AT-2 - Page 95

Schiller AT-2
109 pages
Print Icon
To Next Page IconTo Next Page
To Next Page IconTo Next Page
To Previous Page IconTo Previous Page
To Previous Page IconTo Previous Page
Loading...
3
Schiller AG
Altgasse 68
CH-6340 Baar
Drawn by: STR
Entw: TM 17
2391FA
05.09.99Size:
S.
Date: Sheet ofA3
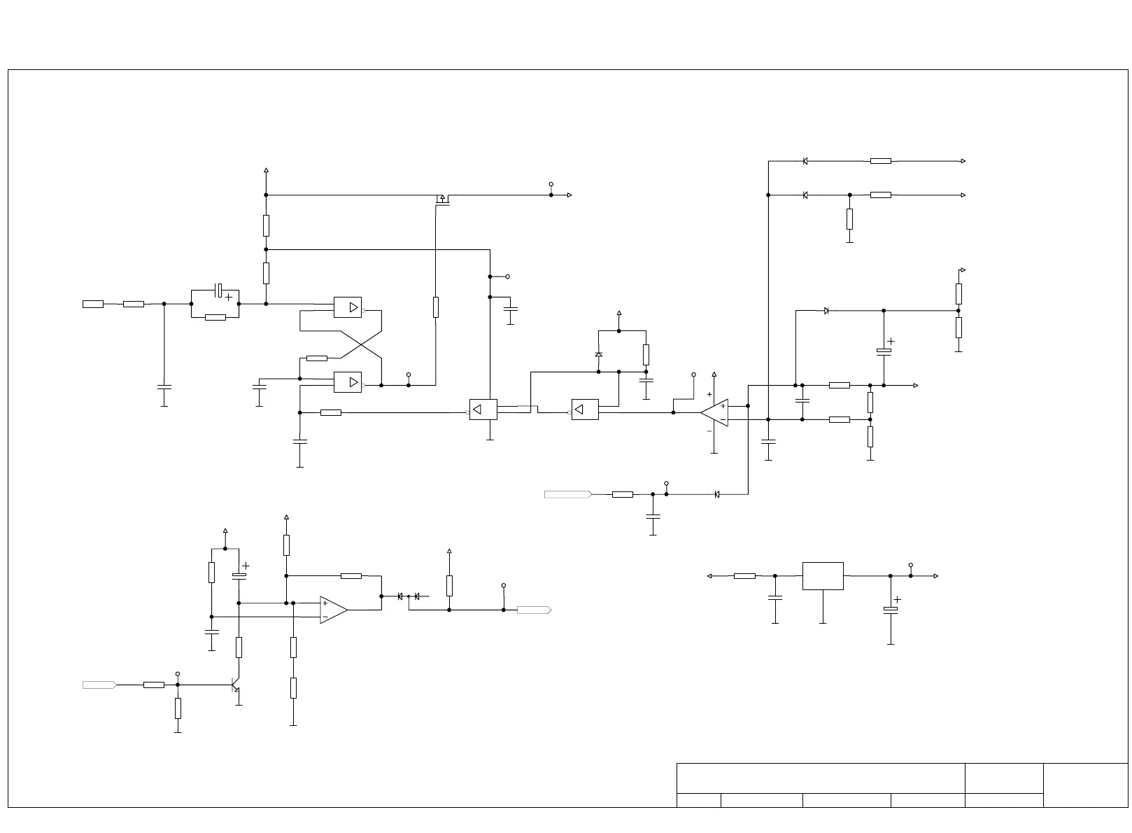
ON/OFF & BACKUP MK12-1 (AT-2)
(backup voltage)
HW - turn-off : 9.4V
+US (battey voltage) :
on-state:
log 1
on-state:
log 1
over-voltage
protection
under-voltage
protection
(RFD15P05SM)
BEI U-BATT = 10,3V (DRUCKER AKTIV)
= 11.3V (STANDBY)
3V
BLOW
uPOFF/
ON
MON/
+US
+UD
+US
+US
+5VREF
+5VREF
GND
GND
GND GND
GND
GND
GND
GND
GND
GND
GND
GND
GND
GND
GND
GND
GND
GND
GND
+UD
+US
+5VREF
+24V+US
+UBU
+5.2V
R205
1M
D48
MMBD914
D49
MMBD914
D50
MMBD914
TP54
D51
MMBD914
TP55
11
12
13
&
U33D
4093
10
8
9
&
U33C
4093
R206
10M/1206
3
2
1
84
U34A
LM358
5
6
7
U34B
LM358
Q36
BC847
C154
10N
C155
10N
C156
47N
C157
47N
C158
100N
C159
10N
C160 120P
C161
10U/16V
C162
10U/16V
C163
47N
C164
10N
4
5
6
&
U33B
4093
D53
MMBD914
TP56
TP57
TP58
TP59
TP60
TP61
Q37
BSP171
R207
10K
R208
100K
R209
100K
R210
10K
R211
10K
R212
100K
R213 100K
R214
10K
R215
10K
R216
10K
R217
330K
R218
39K/0.1%
R219
10K
R221
330K
R222
22K
R223
100K
R224
1K
C165
47N
VI
3
GND
1
VO
2
U35
SCI7710YDA
R225
100K
C166
1U/16V
R226
1M
C167
1U/16V
R227
22K
R228
22K
R229
10K
R230
10K
R231
1M
R232
100R
3
1
2
147
&
U33A
4093
D52
BAR43S
R220
100K

Other manuals for Schiller AT-2

Related product manuals