EasyManua.ls Logo

Schuler HF255 - Cross Conveyor W; Fold-Up Extension; Cross Conveyor W;O Fold-Up Extension

Schuler HF255
68 pages
Print Icon
To Next Page IconTo Next Page
To Next Page IconTo Next Page
To Previous Page IconTo Previous Page
To Previous Page IconTo Previous Page
Loading...
- 24 -
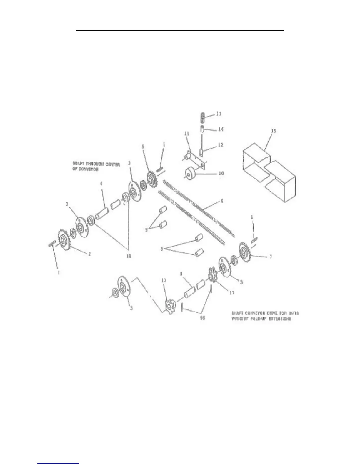
CROSS CONVEYOR WITHOUT FOLD-UP EXTENSION
HF-000160