EasyManua.ls Logo

Schuler HF255 - Page 58

Schuler HF255
68 pages
Print Icon
To Next Page IconTo Next Page
To Next Page IconTo Next Page
To Previous Page IconTo Previous Page
To Previous Page IconTo Previous Page
Loading...
- 26 -
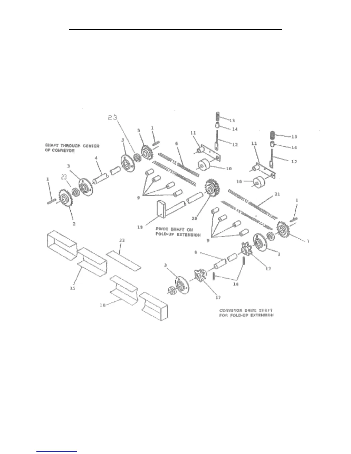
CROSS CONVEYOR DRIVE WITH FOLD-UP EXTENSION
HF-000170