EasyManua.ls Logo

Scytek electronic A20 - Door Lock Wiring Diagrams; Basic Door Lock Wiring; Vacuum System and Aftermarket Actuators

Default Icon
29 pages
Print Icon
To Next Page IconTo Next Page
To Next Page IconTo Next Page
To Previous Page IconTo Previous Page
To Previous Page IconTo Previous Page
Loading...
Page 22 - G777,G27,A777,A20
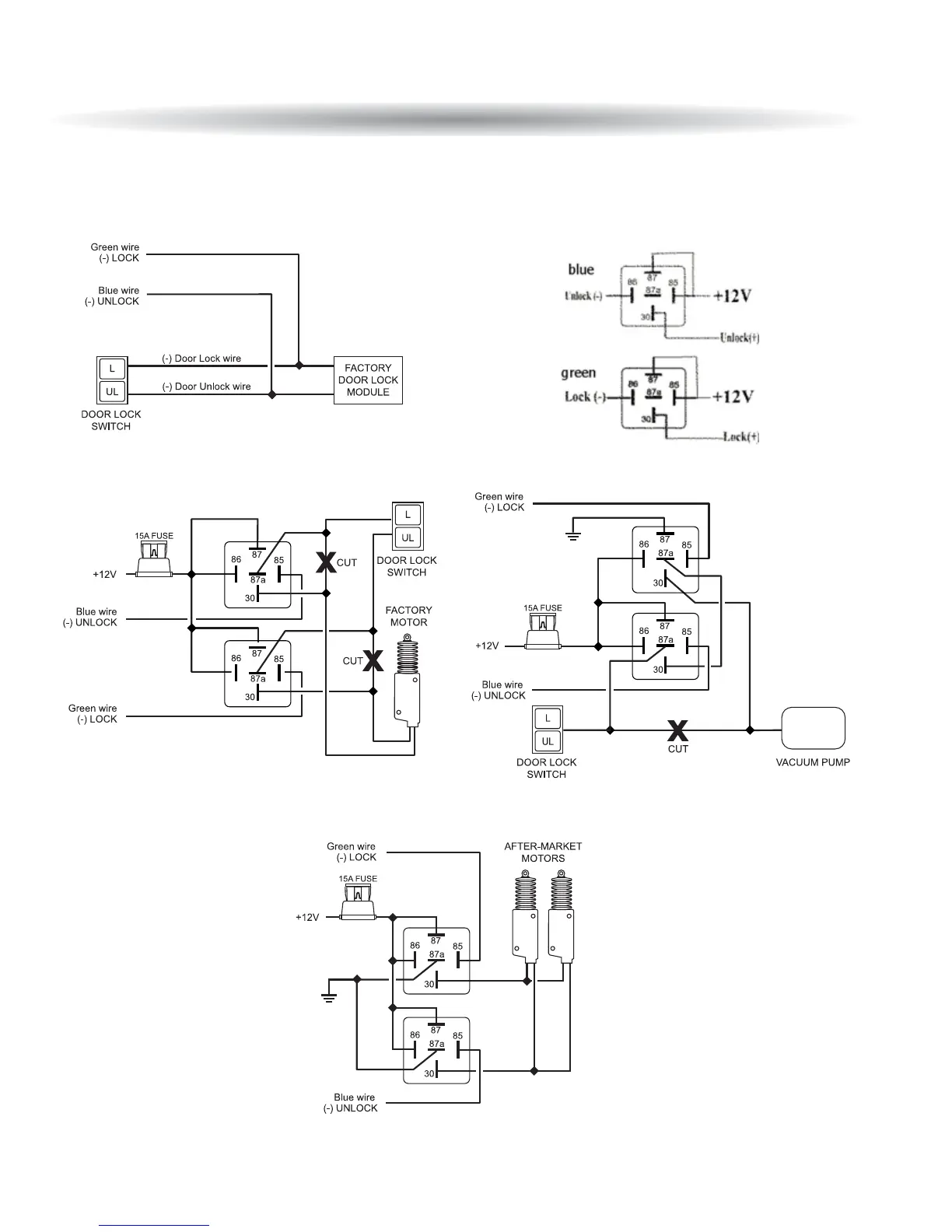
Follow the diagrams below for connecting basic door lock systems. For Two Stage door lock
systems (separately unlocks driver and passenger doors) see following pages.
DDoooorr LLoocckk DDiiaaggrraammss
Negative Trigger
Positive Trigger
Reverse Polarity Vacuum
Adding Actuators

Related product manuals