EasyManua.ls Logo

Scytek electronic A20 - Two Stage Door Lock Wiring; Two Stage Negative;Positive Trigger Wiring

Default Icon
29 pages
Print Icon
To Next Page IconTo Next Page
To Next Page IconTo Next Page
To Previous Page IconTo Previous Page
To Previous Page IconTo Previous Page
Loading...
G777,G27,A777,A20 - Page 23
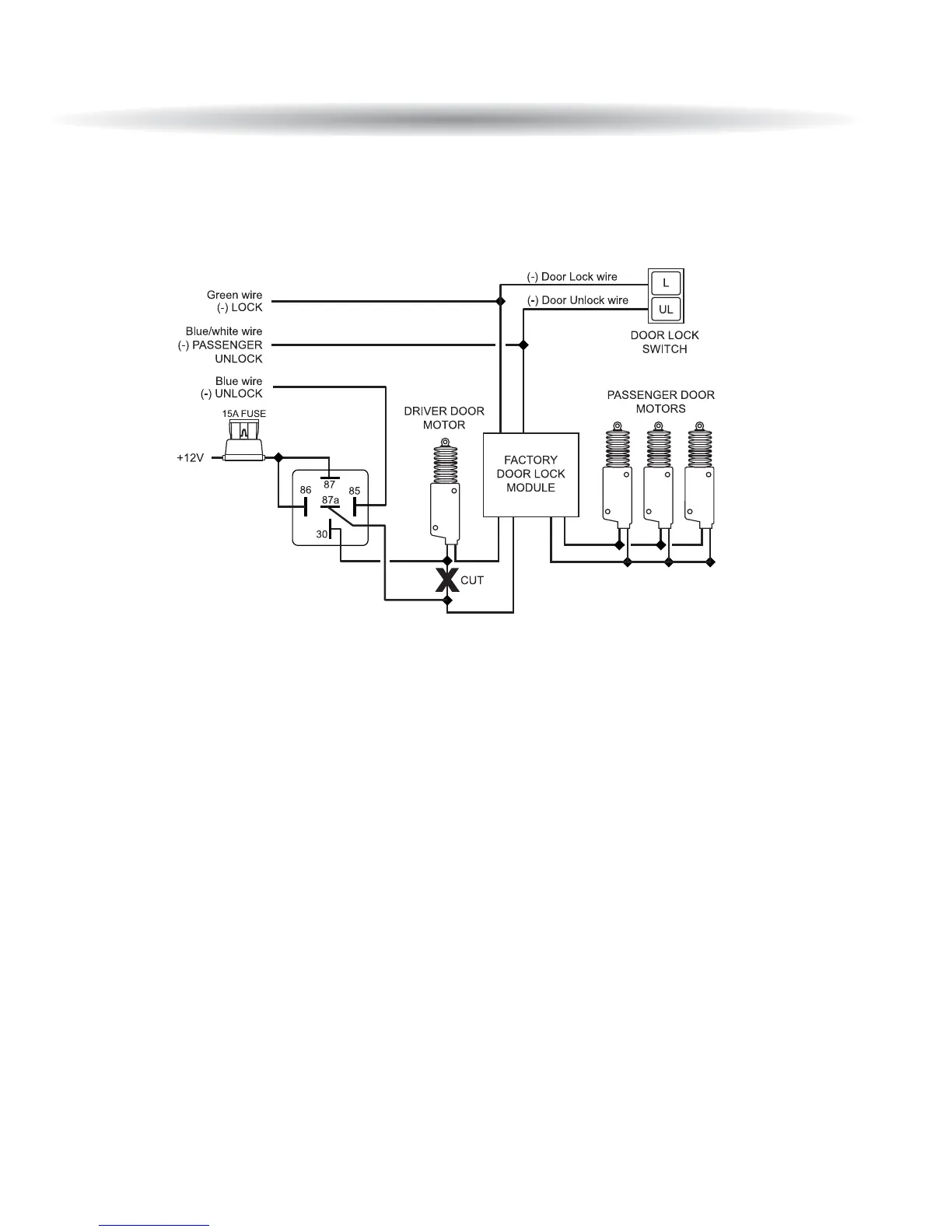
TTwwoo SSttaaggee DDoooorr LLoocckk DDiiaaggrraammss
The G777,G27,A777,A20 is equipped with a dedicated Passenger Unlock output allowing Two
Stage Door Lock operation. When connected as shown below, disarming the system will unlock
only the driver’s door. Pressing the disarm button again will unlock all doors.
Two Stage Negative Trigger
Two Stage Positive Trigger
From Inverter or Relay
From Inverter or
Relay

Related product manuals