EasyManua.ls Logo

Sharp LC-32LE600E - Ic2701; Ic9612

Sharp LC-32LE600E
120 pages
Print Icon
To Next Page IconTo Next Page
To Next Page IconTo Next Page
To Previous Page IconTo Previous Page
To Previous Page IconTo Previous Page
Loading...
LC-32/40/46LE600E/RU/S (1st Edition)
6 – 22
2.16. IC2701 (VHiYDA148QZ-1Y)
This IC is a block diagram and description LC-32/40/46LE700E (S89B4LC32L700) please see the service manual.
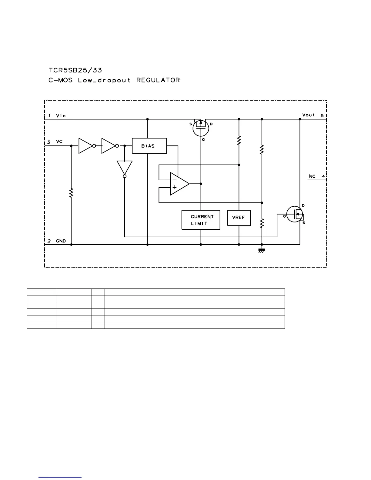
2.17. IC9612 (VHiTCR5SB33-1Y)
2.17.1 Block Diagram
2.17.2 Pin Connections and short description
Pin No. Pin Name I/O Pin Function
1 VIN - Voltage supply pin.
2 Ground - Ground pin
3 Control I Control signal pin
4 NC - No connection
5 Vout O Output pin

Table of Contents

Other manuals for Sharp LC-32LE600E

Related product manuals