EasyManua.ls Logo

Sharp LC-40LE530E - Managing Stations: Favourites; Media Playback Using Media Browser

Sharp LC-40LE530E
122 pages
Print Icon
To Next Page IconTo Next Page
To Next Page IconTo Next Page
To Previous Page IconTo Previous Page
To Previous Page IconTo Previous Page
Loading...
20
LC-32LE530
LC-40LE530
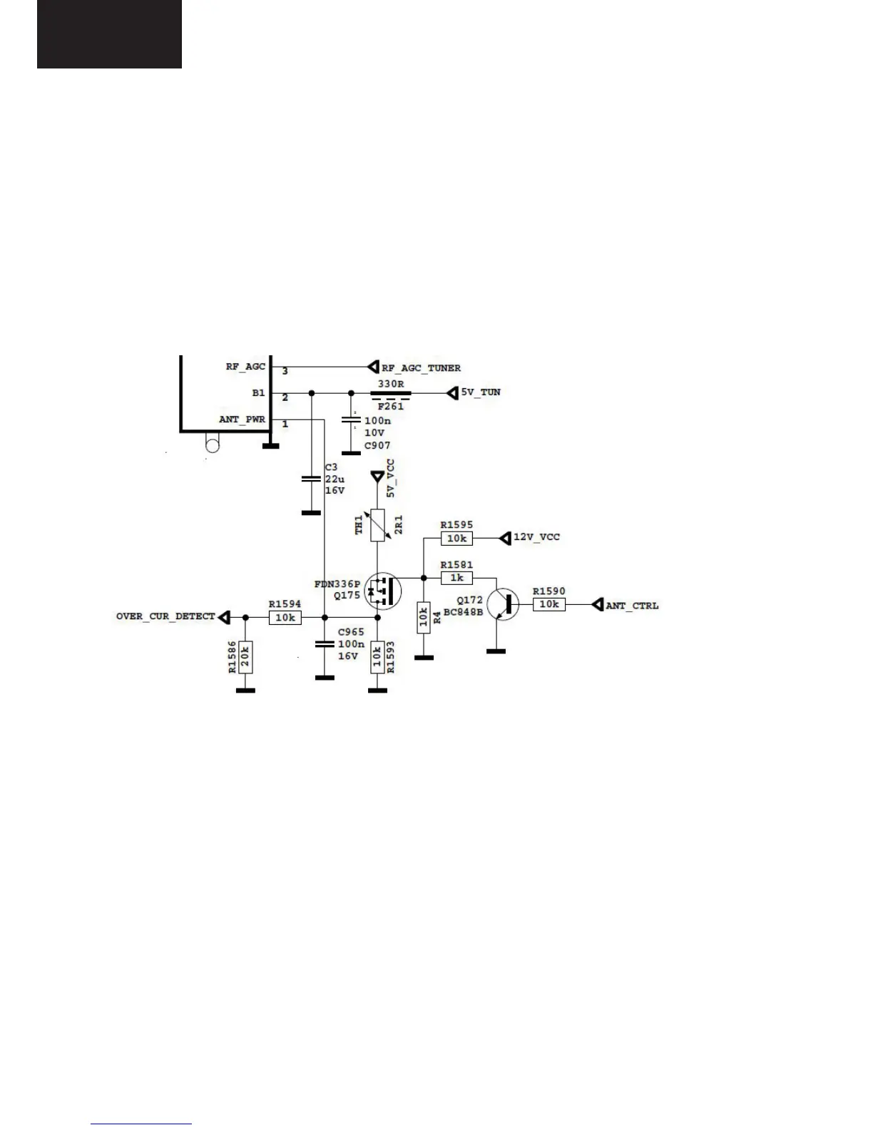
CIRCUIT DESCRIPTIONS
2. TUNER(TU102)
A horizontal mounted and Digital Half-Nim tuner is used in the product, which covers 3 Bands(From
48MHz to 862MHz for COFDM, from 45.25MHz to 863.25MHz for CCIR CH). The tuning is available
through the digitally controlled I2C bus (PLL). Below you will find info about the tuner.
In active antenna option, the following circuit are used. ANT_CTRL pin is controlled by
microcontroller. If ANT_CTRL is low, ANT_PWR will be low. If ANT_CTRL is high, ANT_PWR will be
high.
OVER_CUR_DETECT pin is a monitor for short circuit in antenna. OVER_CUR_DETECT is low,
ANT_CTRL will be low, so ANT_PWR will be low. Finally, short circuit protection is done by circuits
and microcontroller.
2.1. General description of Samsung DTOS403LH121B:
The Tuner covers 3 Bands(from 48MHz to 862MHz for COFDM, from 45.25MHz to 863.25MHz for
CCIR CH). Band selection and Tuning are performed digitally via the I2C bus.
2.2. Features of DTOS403LH121B:
x Receiving System: This TUNER is designed to cover the air channels in VHF and UHF,
compliant with DVB-T standard. and It covers all Analog channels from 48.25MHz to
863.25MHz
x Receiving Channel (Digital, Center frequency):
VHF Low CH. E2 ~ S10 ( 50.5MHz ~ 170.5MHz )
VHF High CH. E5 ~ S41 ( 177.5MHz ~ 466 MHz )

Table of Contents

Other manuals for Sharp LC-40LE530E

Related product manuals