EasyManua.ls Logo

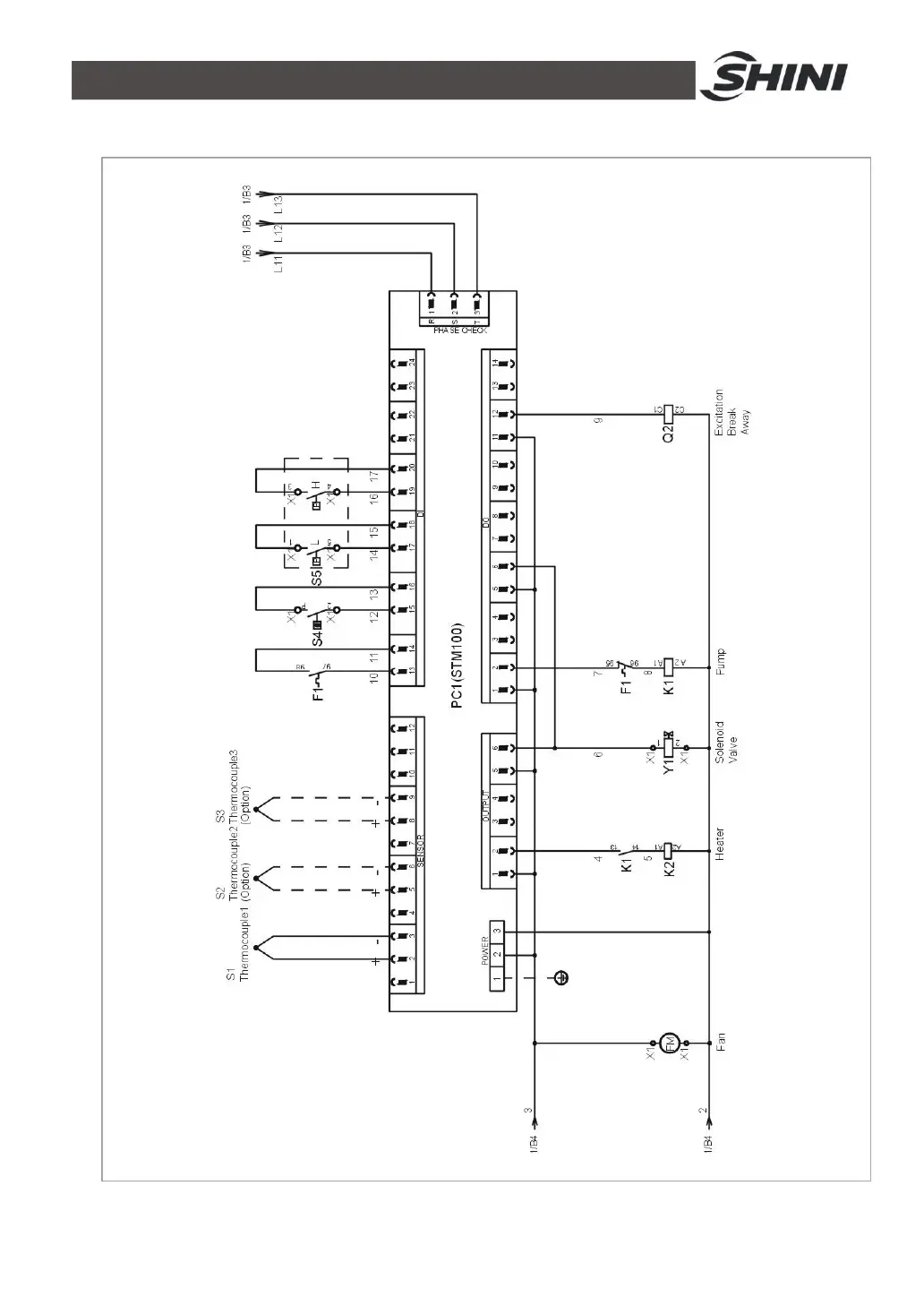
Shini STM-910W - Control Circuit (STM-607 W~1220 W 400 V); Picture 2-8:Control Circuit (STM-607 W~1220 W 400 V)

Shini STM-910W
107 pages
Print Icon
To Next Page IconTo Next Page
To Next Page IconTo Next Page
To Previous Page IconTo Previous Page
To Previous Page IconTo Previous Page
Loading...
30(107)
2.3.2 Control Circuit (STM-607W~1220W 400V)
Picture 2-8Control Circuit (STM-607W~1220W 400V)

Table of Contents

Related product manuals