EasyManua.ls Logo

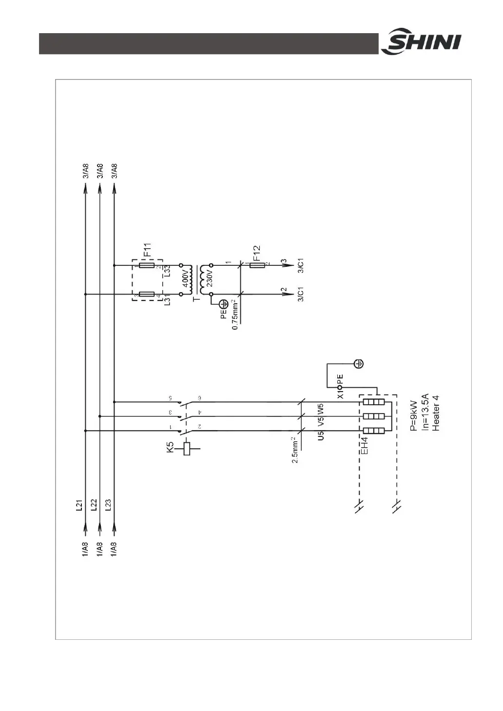
Shini STM-910W - Picture 2-22:Main Circuit 2(STM-3650 W 400 V)

Shini STM-910W
107 pages
Print Icon
To Next Page IconTo Next Page
To Next Page IconTo Next Page
To Previous Page IconTo Previous Page
To Previous Page IconTo Previous Page
Loading...
53(107)
Picture 2-22Main Circuit 2(STM-3650W 400V)

Table of Contents

Related product manuals