EasyManua.ls Logo

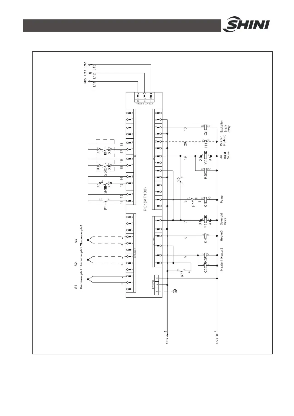
Shini STM-910W - Control Circuit (STM-3650 WA 230 V); Picture 2-35:Control Circuit (STM-3650 WA 230 V)

Shini STM-910W
107 pages
Print Icon
To Next Page IconTo Next Page
To Next Page IconTo Next Page
To Previous Page IconTo Previous Page
To Previous Page IconTo Previous Page
Loading...
74(107)
2.3.35 Control Circuit (STM-3650WA 230V)
Picture 2-35Control Circuit (STM-3650WA 230V)

Table of Contents

Related product manuals