EasyManua.ls Logo

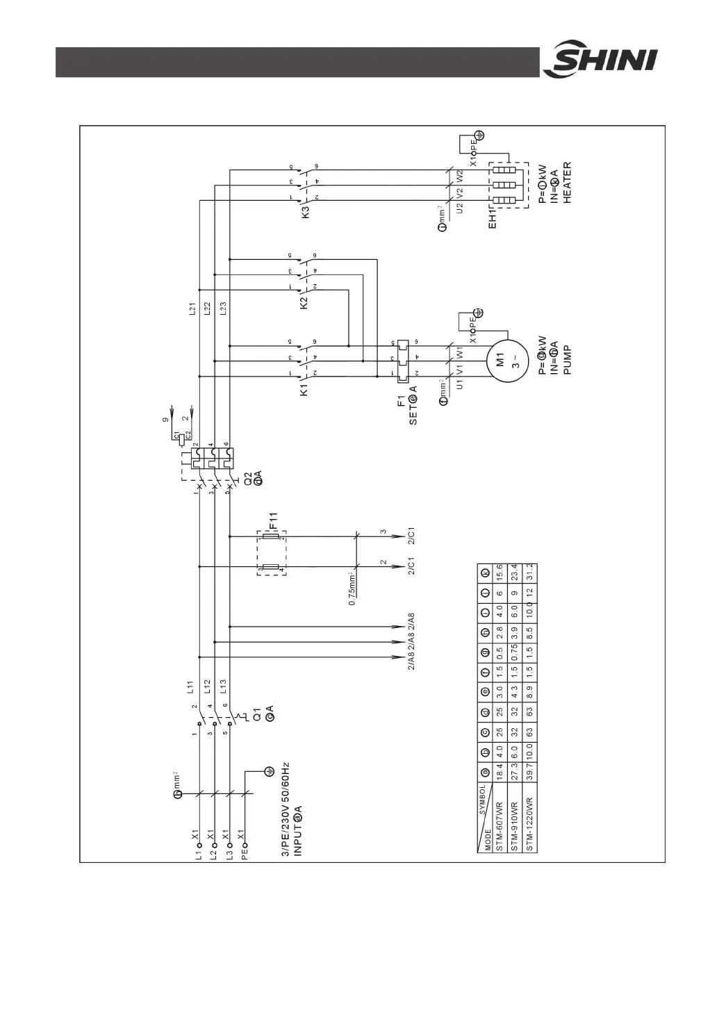
Shini STM-910W - Main Circuit (STM-607 WA~1220 WA 230 V); Picture 2-31:Main Circuit (STM-607 WA~1220 WA 230 V)

Shini STM-910W
107 pages
Print Icon
To Next Page IconTo Next Page
To Next Page IconTo Next Page
To Previous Page IconTo Previous Page
To Previous Page IconTo Previous Page
Loading...
67(107)
2.3.30 Main Circuit (STM-607WA~1220WA 230V)
Picture 2-31Main Circuit (STM-607WA~1220WA 230V)

Table of Contents

Related product manuals