EasyManua.ls Logo

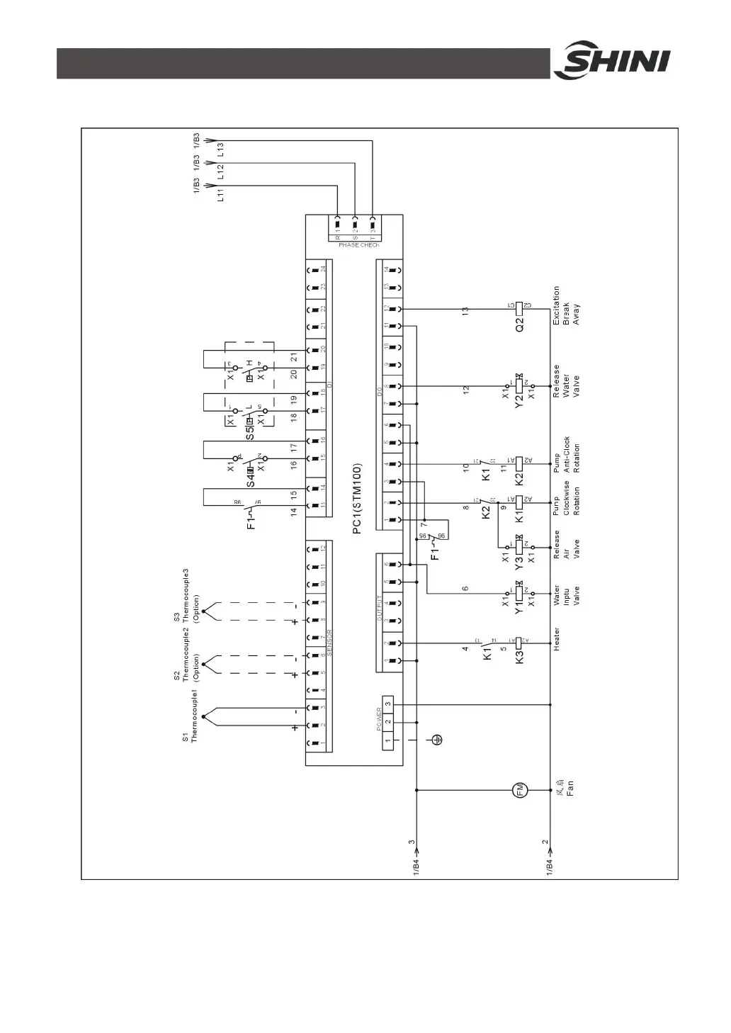
Shini STM-910W - Control Circuit (STM-607 WA~1220 WA 400 V); Picture 2-11:Control Circuit (STM-607 WA~1220 WA 400 V)

Shini STM-910W
107 pages
Print Icon
To Next Page IconTo Next Page
To Next Page IconTo Next Page
To Previous Page IconTo Previous Page
To Previous Page IconTo Previous Page
Loading...
36(107)
2.3.6 Control Circuit (STM-607WA~1220WA 400V)
Picture 2-11Control Circuit (STM-607WA~1220WA 400V)

Table of Contents

Related product manuals