EasyManua.ls Logo

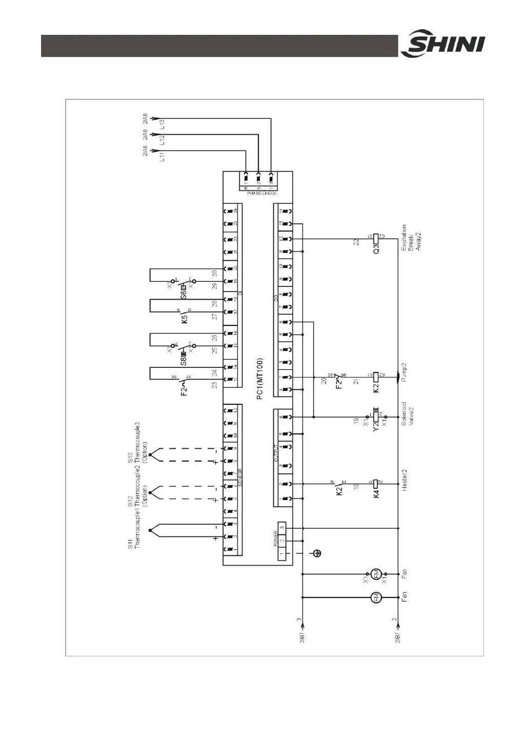
Shini STM-910W - Picture 2-15:Control Circuit 2(STM-607 W-D;910 W-D 400 V)

Shini STM-910W
107 pages
Print Icon
To Next Page IconTo Next Page
To Next Page IconTo Next Page
To Previous Page IconTo Previous Page
To Previous Page IconTo Previous Page
Loading...
43(107)
Picture 2-15Control Circuit 2(STM-607W-D/910W-D 400V)

Table of Contents