EasyManua.ls Logo

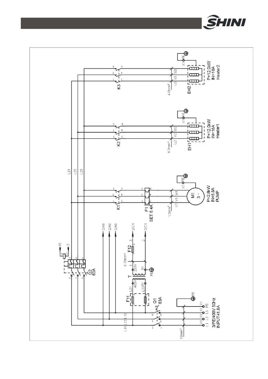
Shini STM-910W - Main Circuit (STM-2440 W 400 V); Picture 2-18:Main Circuit (STM-2440 W 400 V)

Shini STM-910W
107 pages
Print Icon
To Next Page IconTo Next Page
To Next Page IconTo Next Page
To Previous Page IconTo Previous Page
To Previous Page IconTo Previous Page
Loading...
48(107)
2.3.14 Main Circuit (STM-2440W 400V)
Picture 2-18Main Circuit (STM-2440W 400V)

Table of Contents

Related product manuals