EasyManua.ls Logo

Shini STM-910W - Main Circuit (STM-3650 WA 400 V); Picture 2-25:Main Circuit 1(STM-3650 WA 400 V)

Shini STM-910W
107 pages
Print Icon
To Next Page IconTo Next Page
To Next Page IconTo Next Page
To Previous Page IconTo Previous Page
To Previous Page IconTo Previous Page
Loading...
57(107)
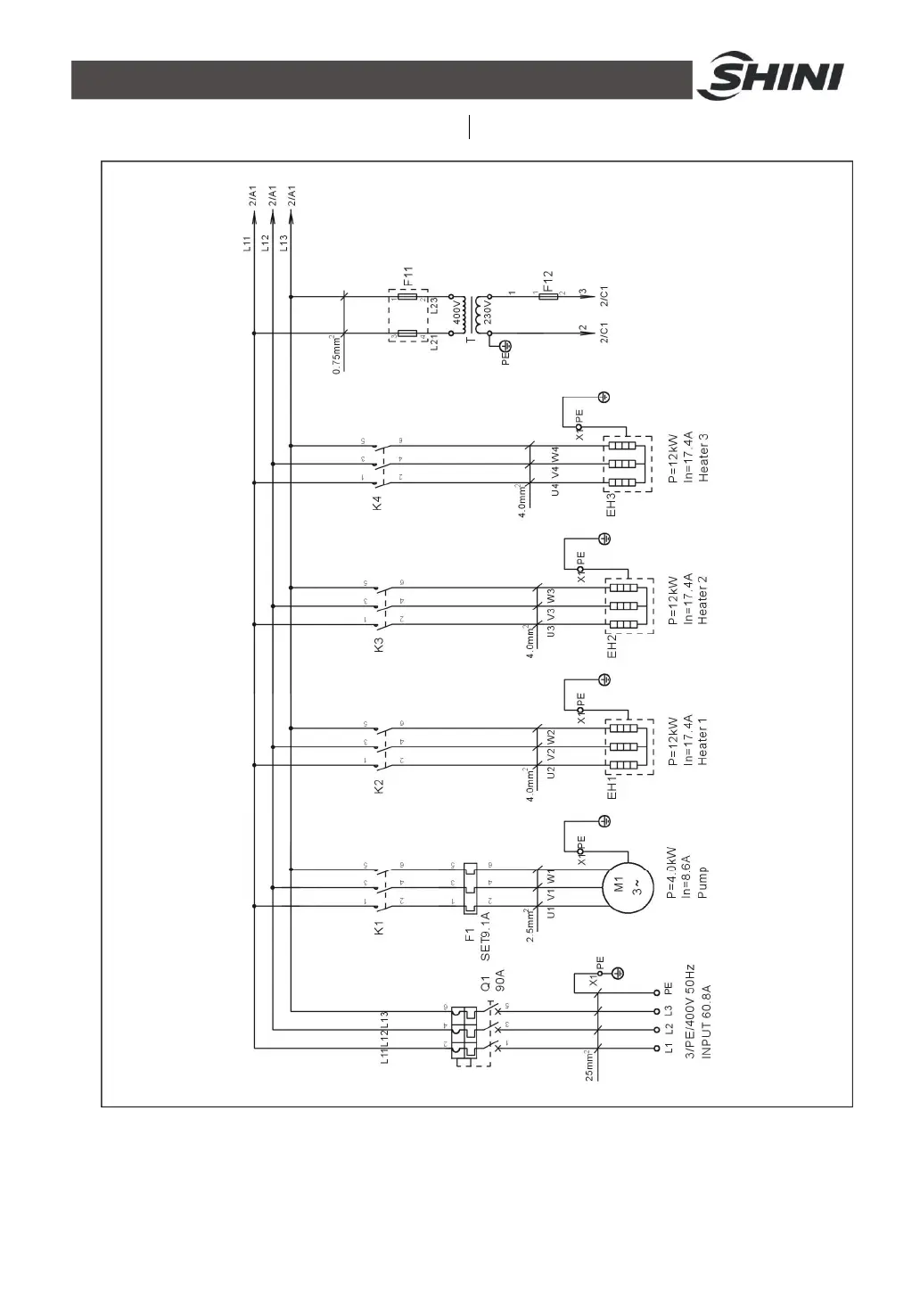
2.3.22 Main Circuit (STM-3650WA 400V)
Picture 2-25Main Circuit 1(STM-3650WA 400V)

Table of Contents