EasyManua.ls Logo

SICE S 65E - Page 46

SICE S 65E
54 pages
Print Icon
To Next Page IconTo Next Page
To Next Page IconTo Next Page
To Previous Page IconTo Previous Page
To Previous Page IconTo Previous Page
Loading...
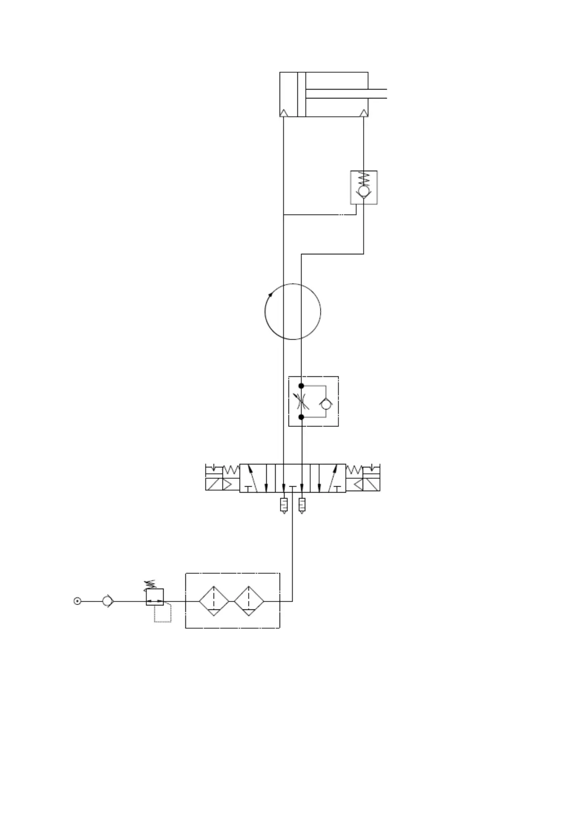
SECOND"VERSION"OF"PNEUMATIC"SYSTEM"(from"April"2016)"
"
"
" "

Table of Contents

Related product manuals