EasyManua.ls Logo

SICK LMS100 - Page 78

SICK LMS100
110 pages
Print Icon
To Next Page IconTo Next Page
To Next Page IconTo Next Page
To Previous Page IconTo Previous Page
To Previous Page IconTo Previous Page
Loading...
Electrical installation
78 © SICK AG · Germany · All rights reserved · Subject to change without notice 8012471/ZN27/2017-06-09
Operating Instructions
LMS1xx Laser Measurement Sensors
Chapter 6
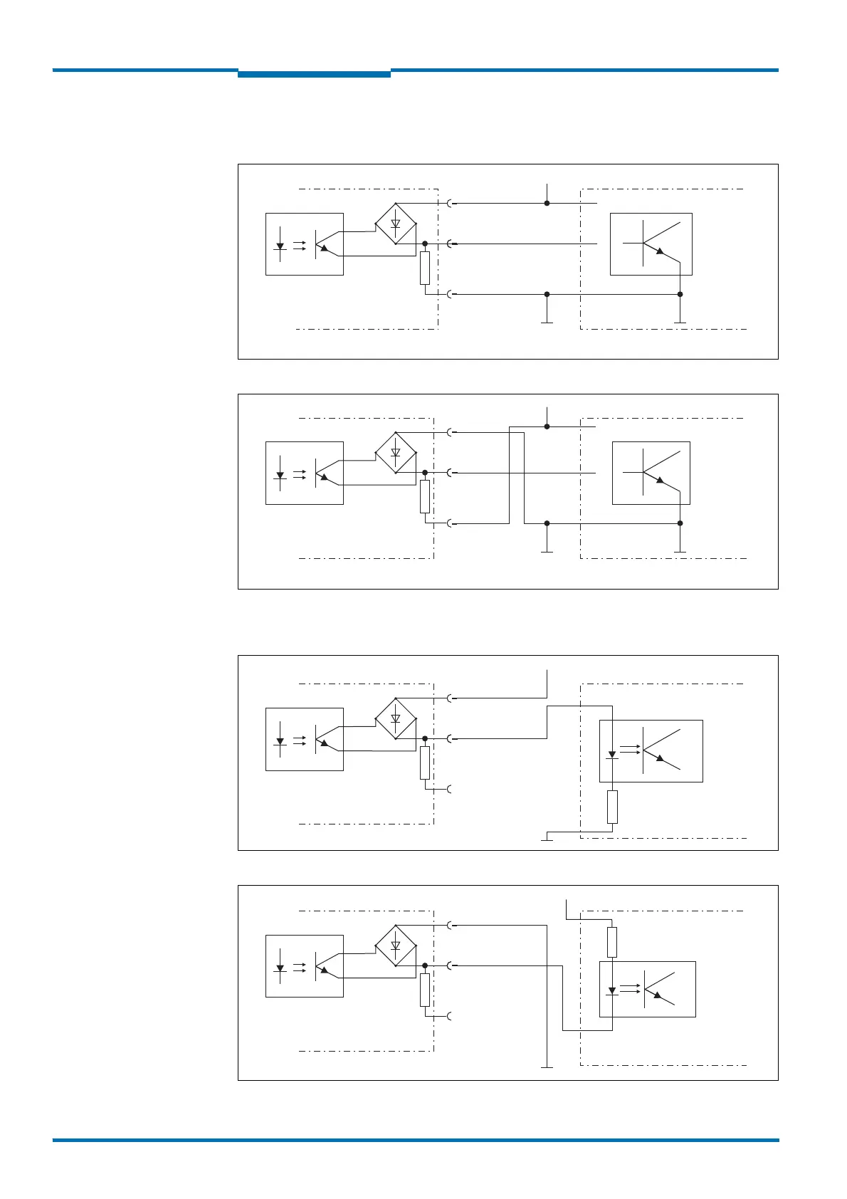
Connection of the switching outputs of the LMS10x/LMS11x/LMS15x to a PLC, non-
floating
Fig. 51: Connection of the switching outputs, e.g. OUT1, to a PLC, non-floating (active high)
Fig. 52: Connection of the switching outputs, e.g. OUT1, to a PLC, non-floating (active low)
Connection of the switching outputs of the LMS10x/LMS11x/LMS15x to a PLC, floating
Fig. 53: Connection of the switching outputs, e.g. OUT1, to a PLC, floating (active high)
Fig. 54: Connection of the switching outputs, e.g. OUT1, to a PLC, floating (active low)
LMS1xx
OUT1 A
OUT1 R
PLC
IN
OUT1 B
DC +24 V
10 K
LMS1xx
OUT1 A
OUT 1 R
IN
OUT1 B
DC +24 V
PLC
10 K
LMS1xx
OUT1 A
OUT1 R
PLC
IN
OUT1 B
DC +24 V
10 K
LMS1xx
PLC
IN
DC +24 V
OUT1 A
OUT1 R
OUT1 B
10 K

Table of Contents

Related product manuals