EasyManua.ls Logo

Sinoboom AB18EJ - Page 98

Sinoboom AB18EJ
132 pages
Print Icon
To Next Page IconTo Next Page
To Next Page IconTo Next Page
To Previous Page IconTo Previous Page
To Previous Page IconTo Previous Page
Loading...
© Oct 2020 6-16 AB18EJ&18HJ Maintenance Manual
REPAIR PROCEDURES
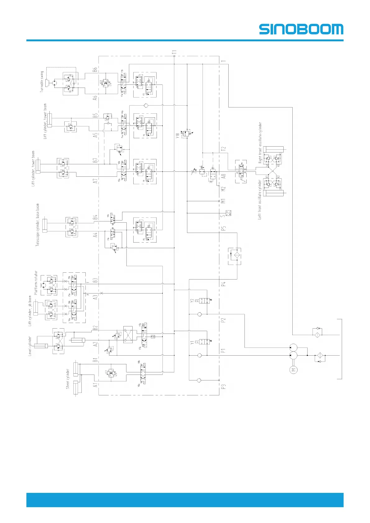
Figure 6-16 AB18HJ hydraulic schematic

Table of Contents

Related product manuals