EasyManua.ls Logo

Sinoboom AB18EJ - Hydraulic Schematic

Sinoboom AB18EJ
132 pages
Print Icon
To Next Page IconTo Next Page
To Next Page IconTo Next Page
To Previous Page IconTo Previous Page
To Previous Page IconTo Previous Page
Loading...
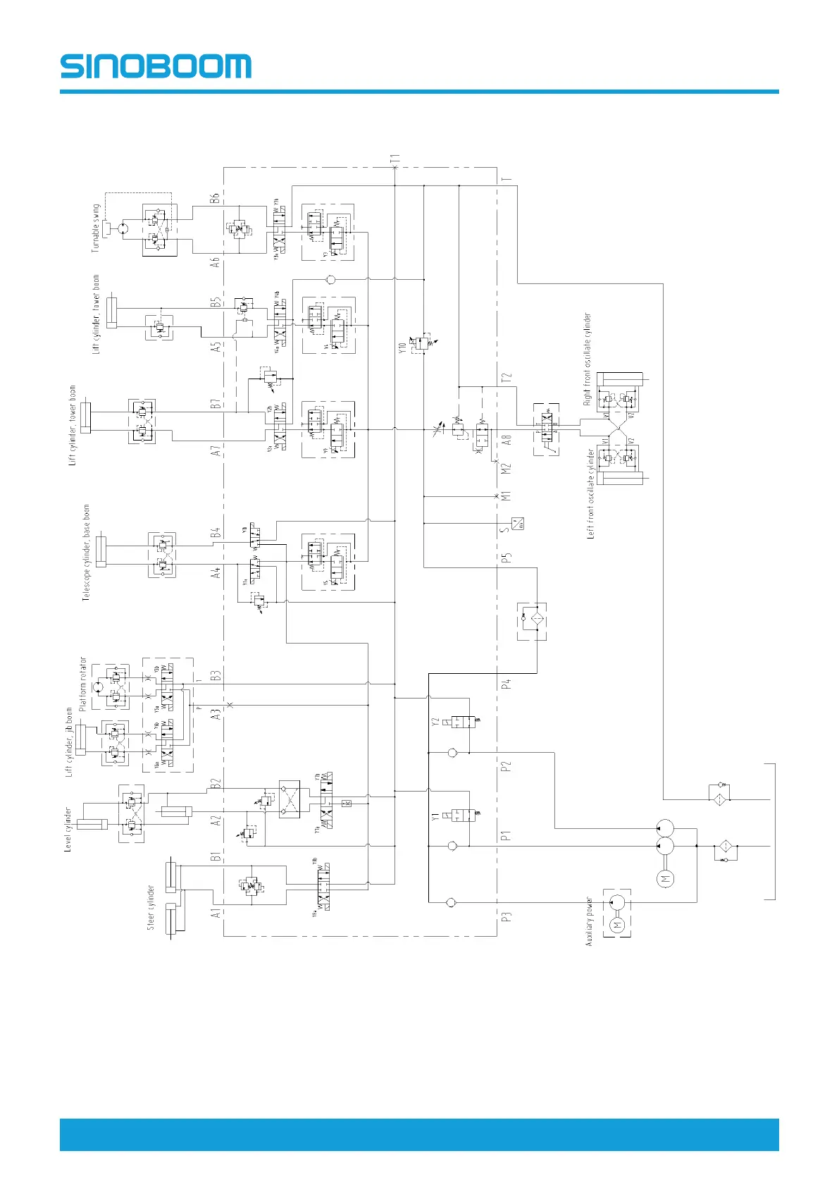
REPAIR PROCEDURES
AB18EJ&18HJ Maintenance Manual 6-15 © Oct 2020
Hydraulic Schematic
Figure 6-15 AB18EJ hydraulic schematic

Table of Contents

Related product manuals