EasyManua.ls Logo

Skov DA 2000 - 4.3 Pump with Frequency Converter; Circuit Diagram: 3 x 230 V

Skov DA 2000
40 pages
Print Icon
To Next Page IconTo Next Page
To Next Page IconTo Next Page
To Previous Page IconTo Previous Page
To Previous Page IconTo Previous Page
Loading...
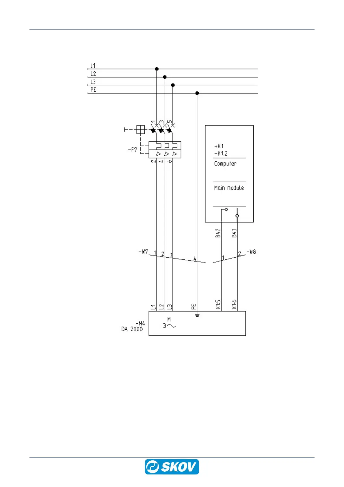
DA 2000
Technical User Guide 23
4.3 Pump with frequency converter
4.3.1 Circuit diagram 3 x 230 V
230 V